EasyManua.ls Logo

Steinberg UR-RT2 - Page 40

Steinberg UR-RT2
51 pages
Print Icon
To Next Page IconTo Next Page
To Next Page IconTo Next Page
To Previous Page IconTo Previous Page
To Previous Page IconTo Previous Page
Loading...
Appendix
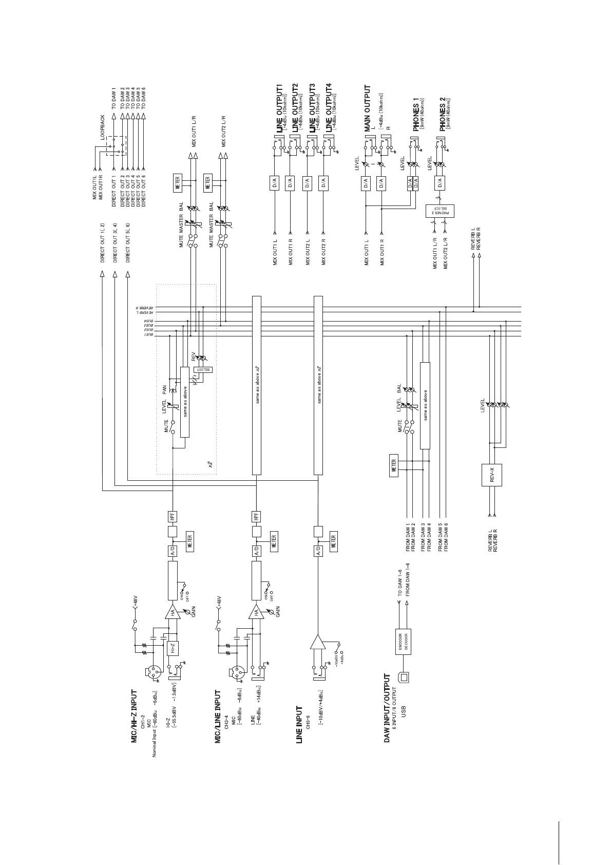
UR-RT4 / UR-RT2 Operation Manual 40
UR-RT4 – 176.4/192 kHz
Φ
Φ
Φ
TRANSFORMER
TRANSFORMER

Other manuals for Steinberg UR-RT2

Related product manuals