EasyManua.ls Logo

Steinberg UR22C - Page 36

Steinberg UR22C
39 pages
Print Icon
To Next Page IconTo Next Page
To Next Page IconTo Next Page
To Previous Page IconTo Previous Page
To Previous Page IconTo Previous Page
Loading...
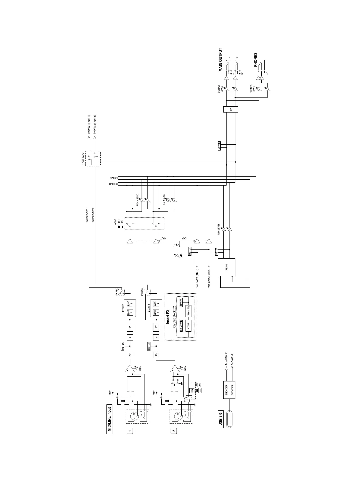
Appendix
UR22C Operation Manual 36
176.4kHz, 192kHz

Other manuals for Steinberg UR22C

Related product manuals