EasyManua.ls Logo

Steinberg UR22C - Block Diagrams

Steinberg UR22C
39 pages
Print Icon
To Next Page IconTo Next Page
To Next Page IconTo Next Page
To Previous Page IconTo Previous Page
To Previous Page IconTo Previous Page
Loading...
Appendix
UR22C Operation Manual 35
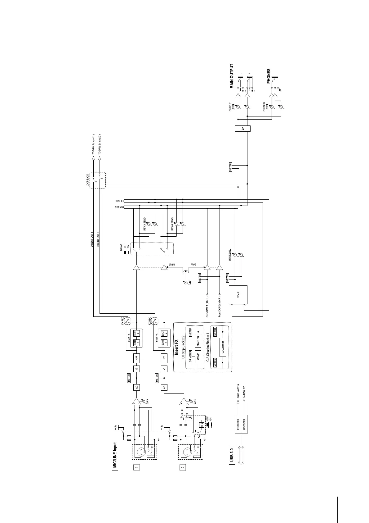
Block Diagrams
44.1kHz, 48kHz, 88.2kHz, 96kHz

Other manuals for Steinberg UR22C

Related product manuals