EasyManua.ls Logo

Steinberg UR28M - Signal Flow

Steinberg UR28M
40 pages
Print Icon
To Next Page IconTo Next Page
To Next Page IconTo Next Page
To Previous Page IconTo Previous Page
To Previous Page IconTo Previous Page
Loading...
Appendix
UR28M Operation Manual 35
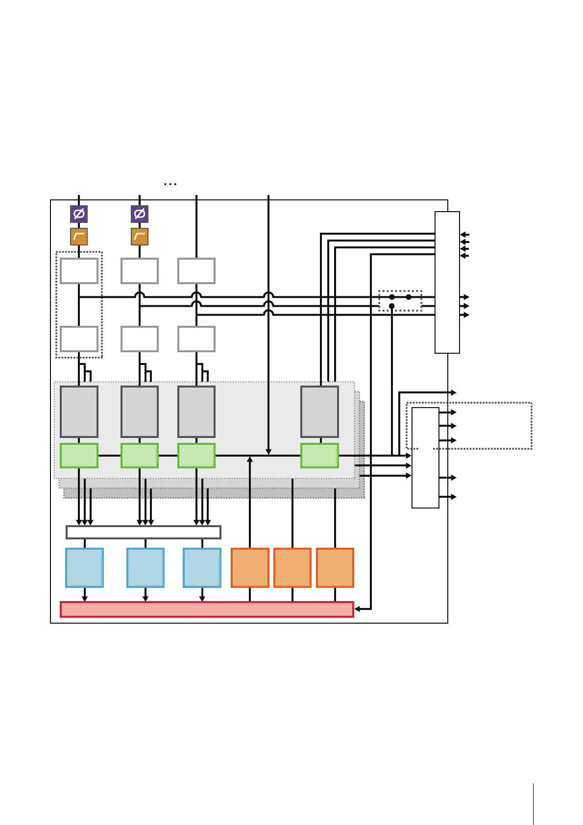
Signal Flow
The following chart indicates the signal flow in the device.
NOTE
The controllers on the device, such as the HI-Z switch, INPUT GAIN knob, and OUTPUT LEVEL knob, are not
included in this chart.
To configure each parameter, use the “dspMixFx UR28M” (page 11) or “Dedicated Windows for Cubase Series”
(page 17).
Effect
(MON.FX)
Effect
(INS.FX)
Effect
(MON.FX)
Effect
(INS.FX)
Effect
(MON.FX)
Effect
(INS.FX)
*4
*2
*1
REV-X
To DAW input
From DAW output
To PHONES 1
To LINE OUTPUT A
To LINE OUTPUT B
To LINE OUTPUT C
To S/PDIF OUT
To PHONES 2
OUTPUT SELECT
REV-X select
Volume
Pan
Volume
Pan
Volume
Pan
REV-X
Send
Level
REV-X
Send
Level
REV-X
Send
Level
REV-X
Return
Level
REV-X
Return
Level
REV-X
Return
Level
From MIC/
LINE/HI-Z 1
From LINE
INPUT HI-Z 2
From
S/PDIF IN
From
2TR IN
Volume
Pan
*3
MIX 3
MIX 2
MIX 1
LOOPBACK
OFF/ON
USB

Other manuals for Steinberg UR28M

Related product manuals