EasyManua.ls Logo

Steinberg UR28M - Appendix; Block Diagrams

Steinberg UR28M
40 pages
Print Icon
To Next Page IconTo Next Page
To Next Page IconTo Next Page
To Previous Page IconTo Previous Page
To Previous Page IconTo Previous Page
Loading...
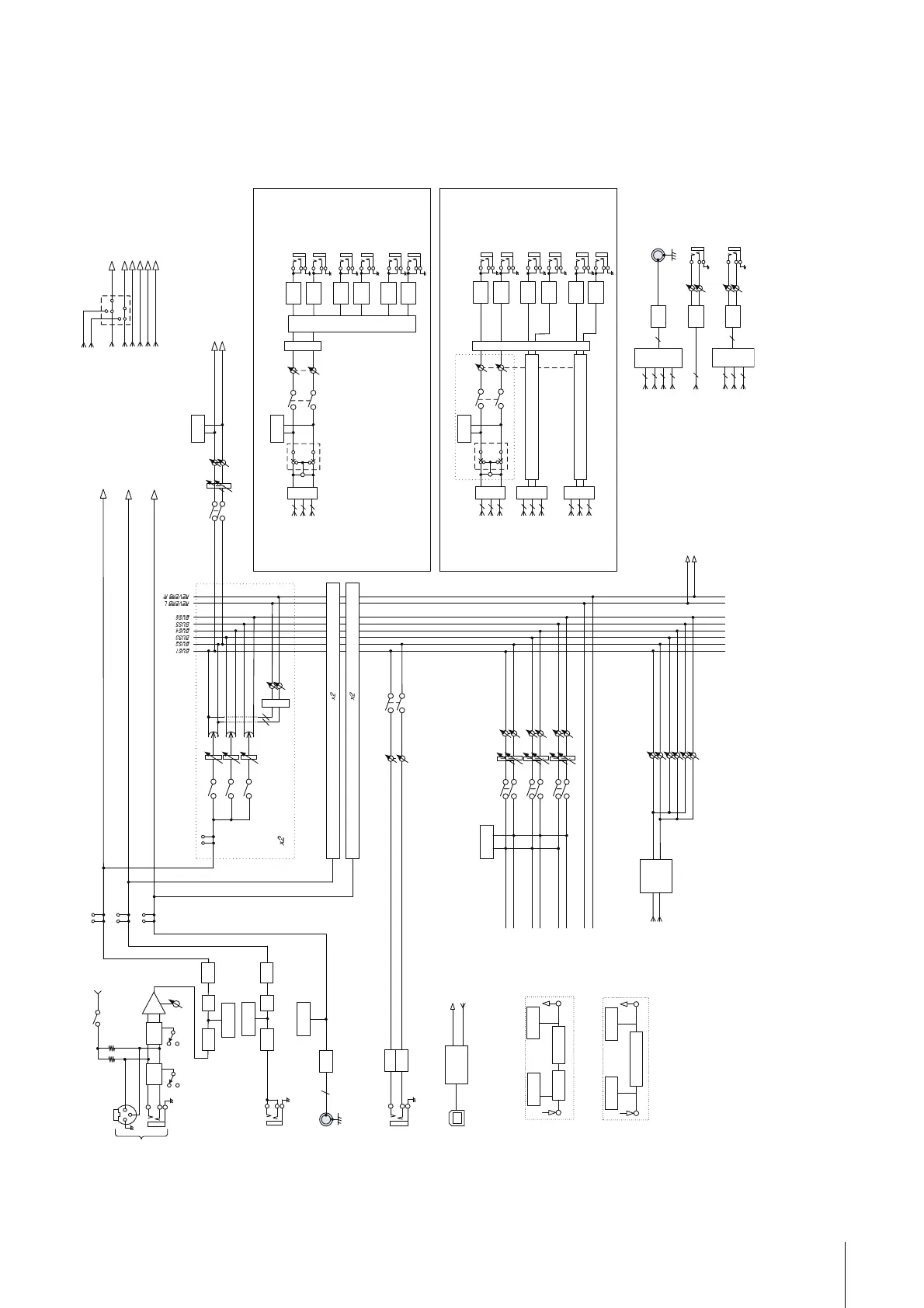
Appendix
UR28M Operation Manual 38
Block Diagrams
UR28M - 44.1/48/88.2/96 kHz
4 Analog In/6 Analog Out, 2 Digital In/Out, 10 DAW In/6 DAW Out, 6+2 BUS
㪲㪠㫅㪻㪼㫇㪼㫅㪻㪼㫅㫋
㪲㪘㫃㫋㪼㫉㫅㪸㫋㪼㪴
㪟㪘
㪤㪠㪚㪆㪣㪠㪥㪜㪆㪟㫀㪄㪱
㪚㪟㪈㪄
㪞㪘㪠㪥
㪂㪋㪏㪭
㪟㫀㪄㪱
㪲㪄㪊㪋㪻㪙㫌䌾㪂㪈㪇㪻㪙㫌
㪲㪄㪍㪇㪻㪙㫌䌾㪄㪈㪍㪻㪙㫌
㪲㪂㪋㪻㪙㫌㪆㪄㪈㪇㪻㪙㪭㪴
㪛㪠㪞㪠㪫㪘㪣㩷㪠㪥㪧㪬㪫
㪚㪟㪌㪄
㪪㪆㪧㪛㪠㪝
㪣㪜㪭㪜㪣
㪩㪜㪭㪄㪯
㪩㪜㪭
㪪㪜㪣㪜㪚㪫
㪦㪥
㪦㪝㪝
㪉㪍
㪧㪘㪛
㪪㪆㪧㪛㪠㪝
㪛㪠㪩㪜㪚㪫㩷㪦㪬㪫㩷㪊
㪛㪠㪩㪜㪚㪫㩷㪦㪬㪫㩷㪋
㪛㪠㪩㪜㪚㪫㩷㪦㪬㪫㩷㪌
㪛㪠㪩㪜㪚㪫㩷㪦㪬㪫㩷㪍
㪛㪠㪩㪜㪚㪫㩷㪦㪬㪫㩷㪈㩿㪃㩷㪉㪀
㪛㪠㪩㪜㪚㪫㩷㪦㪬㪫㩷㪊㩿㪃㩷㪋㪀
㪝㪯㩷㪠㪥㪪㪜㪩㪫
㪫㪦㩷㪛㪘㪮㩷㪊
㪫㪦㩷㪛㪘㪮㩷㪋
㪫㪦㩷㪛㪘㪮㩷㪌
㪫㪦㩷㪛㪘㪮㩷㪍
㪤㪜㪫㪜㪩
㪘㪆㪛
㪟㪧㪝
㪘㪆㪛
㪟㪧㪝
㪚㪟㪊㪄
㪤㪜㪫㪜㪩
㪛㪠㪩㪜㪚㪫㩷㪦㪬㪫㩷㪌㩿㪃㩷㪍㪀
㪤㪬㪫㪜
㪣㪜㪭㪜㪣
㪧㪘㪥
㪛㪠㪫
㪤㪬㪫㪜
㪣㪜㪭㪜㪣
㪙㪘㪣
㪤㪜㪫㪜㪩
㪝㪩㪦㪤㩷㪛㪘㪮㩷㪈
㪝㪩㪦㪤㩷㪛㪘㪮㩷㪉
㪝㪩㪦㪤㩷㪛㪘㪮㩷㪊
㪝㪩㪦㪤㩷㪛㪘㪮㩷㪋
㪝㪩㪦㪤㩷㪛㪘㪮㩷㪌
㪝㪩㪦㪤㩷㪛㪘㪮㩷㪍
㪝㪩㪦㪤㩷㪛㪘㪮㩷㪎
㪝㪩㪦㪤㩷㪛㪘㪮㩷㪏
㪧㪟㪦㪥㪜㪪㩷㪉
㪲㪇㪅㪍㫄㪮㩷㪋㪇㫆㪿㫄㫊㪴
㪝㪯㩷㪠㪥㪪㪜㪩㪫
㪣㪜㪭㪜㪣
㪩㪜㪭㪜㪩㪙㩷㪣
㪩㪜㪭㪜㪩㪙㩷㪩
㪤㪠㪯㩷㪦㪬㪫㪉㪣㪆㪩
㫊㪸㫄㪼㩷㪸㫊㩷㪸㪹㫆㫍㪼㩷
㫊㪸㫄㪼㩷㪸㫊㩷㪸㪹㫆㫍㪼㩷
㪝㪩㪦㪤㩷㪛㪘㪮㩷㪐㪆㪈㪇
㪬㪪㪙
㪪㪩㪚
㪜㪥㪚㪦㪛㪜㪩
㪛㪜㪚㪦㪛㪜㪩
㪝㪩㪦㪤㩷㪛㪘㪮㩷㪈㪄㪈㪇
㪫㪦㩷㪛㪘㪮㩷㪈㪄㪍
㪛㪘㪮㩷㪠㪥㪧㪬㪫㪆㪦㪬㪫㪧㪬㪫
㪈㪇㩷㪠㪥㪧㪬㪫㪆㩷㪍㩷㪦㪬㪫㪧㪬㪫
㪣㪆㪩
㪤㪜㪫㪜㪩
㪧㪟㪦㪥㪜㪪㩷㪈
㪲㪇㪅㪍㫄㪮㩷㪋㪇㫆㪿㫄㫊㪴
㪛㪆㪘
㪣㪜㪭㪜㪣
㪉㪫㪩㩷㪠㪥
㪲㪄㪏㪅㪌㪻㪙㪭㪴
㪘㪆㪛
㪘㪆㪛
㪣㪜㪭㪜㪣
㪩㪜㪭㪜㪩㪙㩷㪣
㪩㪜㪭㪜㪩㪙㩷㪩
㪦㪥
㪤㪠㪯㩷㪦㪬㪫㪈㪣㪆㪩
㪤㪠㪯㩷㪦㪬㪫㪊㪣㪆㪩
㪧㪟㪦㪥㪜㪪㩷㪉
㪪㪜㪣㪜㪚㪫
㪛㪆㪘
㪤㪠㪯㩷㪦㪬㪫㪉㪣㪆㪩
㪤㪠㪯㩷㪦㪬㪫㪈㪣㪆㪩
㪤㪠㪯㩷㪦㪬㪫㪊㪣㪆㪩
㪛㪠㪞㪠㪫㪘㪣㩷㪦㪬㪫㩷
㪪㪜㪣㪜㪚
㪤㪜㪫㪜㪩
㪊㪙㪸㫅㪻㩷㪜㪨㪚㪦㪤㪧
㩿㪞㪸㫀㫅㩷㪩㪼㪻㫌㪺㫋㫀㫆㫅
㪚㪿㪅㪪㫋㫉㫀㫇㩷㪙㫃㫆㪺㫂㩷㫏㪋㩷
㪤㪜㪫㪜㪩
㪤㪠㪥㪠㩷㪧㪟㪦㪥㪜
㪤㪠㪚㪆㪣㪠㪥㪜
㪲㪄㪉㪍㪻㪙㫌䌾㪂㪈㪉㪻㪙㫌
㪲㪄㪌㪉㪻㪙㫌䌾 㪄㪏㪻㪙㫌㪴
㪟㫀㪄㪱
㪣㪠㪥㪜㩷㪠㪥㪧㪬
㪲㪄㪍㪇㪻㪙㫌䌾㪂㪈㪉㪻㪙㫌㪴
㪤㪠㪯㩷㪦㪬㪫㪈㪣㪆㪩
㪲㪂㪋㪻㪙㫌㪴
㪉㪆㪩
㪋㪆㪩
㪣㪠㪥㪜㩷㪦㪬㪫㪄㪘
㪣㪠㪥㪜㩷㪦㪬㪫㪄㪙
㪲㪂㪋㪻㪙㫌㪴
㪍㪆㪩
㪌㪆㪣
㪲㪂㪋㪻㪙㫌㪴
㪛㪆㪘
㪛㪆㪘
㪛㪆㪘
㪛㪠㪤㪤
㪛㪆㪘
㪛㪆㪘
㪛㪆㪘
㪦㪬㪫㪧㪬㪫㩷
㪣㪜㪭㪜㪣
㪤㪬㪫㪜㪤㪦㪥㪦
㪈㪆㪣
㪊㪆㪣
㪣㪠㪥㪜㩷㪦㪬㪫㪄㪚
㪤㪠㪯㩷㪦㪬㪫㪊㪣㪆㪩
㪤㪠㪯㩷㪦㪬㪫㪈㪣㪆㪩
㪤㪠㪯㩷㪦㪬㪫㪉㪣㪆㪩
㪪㪦㪬㪩㪚㪜㩷
㪪㪜㪣㪜㪚
㪪㪧㪜㪘㪢㪜㪩㩷㪪㪜㪣㪜㪚㪫
㪲㪂㪋㪻㪙㫌㪴
㪉㪆㪩
㪋㪆㪩
㪣㪠㪥㪜㩷㪦㪬㪫㪄㪘
㪣㪠㪥㪜㩷㪦㪬㪫㪄㪙
㪲㪂㪋㪻㪙㫌㪴
㪍㪆㪩
㪌㪆㪣
㪲㪂㪋㪻㪙㫌㪴
㪛㪆㪘
㪛㪆㪘
㪛㪆㪘
㪛㪠㪤㪤
㪛㪆㪘
㪛㪆㪘
㪛㪆㪘
㪤㪦㪥㪦
㪈㪆㪣
㪊㪆㪣
㪣㪠㪥㪜㩷㪦㪬㪫㪄㪚
㪤㪠㪯㩷㪦㪬㪫㪊㪣㪆㪩
㪤㪠㪯㩷㪦㪬㪫㪈㪣㪆㪩
㪤㪠㪯㩷㪦㪬㪫㪉㪣㪆㪩
㪪㪦㪬㪩㪚㪜㩷
㪪㪜㪣㪜㪚㪫
㪤㪠㪯㩷㪦㪬㪫㪊㪣㪆㪩
㪤㪠㪯㩷㪦㪬㪫㪈㪣㪆㪩
㪤㪠㪯㩷㪦㪬㪫㪉㪣㪆㪩
㪪㪦㪬㪩㪚㪜㩷
㪪㪜㪣㪜㪚㪫
㪤㪠㪯㩷㪦㪬㪫㪊㪣㪆㪩
㪤㪠㪯㩷㪦㪬㪫㪈㪣㪆㪩
㪤㪠㪯㩷㪦㪬㪫㪉㪣㪆㪩
㪪㪦㪬㪩㪚㪜㩷
㪪㪜㪣㪜㪚㪫
㫊㪸㫄㪼㩷㪸㫊㩷㪸㪹㫆㫍㪼㩷
㫊㪸㫄㪼㩷㪸㫊㩷㪸㪹㫆㫍㪼㩷
㪤㪬㪫㪜
㪙㪘㪣
㪤㪘㪪㪫㪜㪩
㪤㪠㪯㩷㪦㪬㪫㪈㩷㪣㪆㪩
㩿㪃㪤㪠㪯㩷㪦㪬㪫㪉㩷㪣㪆㪩㩷㩷㪃㪤㪠㪯㩷㪦㪬㪫㪊㩷㪣㪆㪩㪀
㪤㪜㪫㪜㪩
㪤㪜㪫㪜㪩
㪦㪬㪫㪧㪬㪫㩷
㪣㪜㪭㪜㪣
㪤㪬㪫㪜
㪤㪜㪫㪜㪩
㪛㪠㪩㪜㪚㪫㩷㪦㪬㪫㩷㪈
㪛㪠㪩㪜㪚㪫㩷㪦㪬㪫㩷㪉
㪫㪦㩷㪛㪘㪮㩷㪈
㪫㪦㩷㪛㪘㪮㩷㪉
㪤㪠㪯㩷㪦㪬㪫㪈㪣
㪤㪠㪯㩷㪦㪬㪫㪈㪩
㪣㪦㪦㪧㪙㪘㪚㪢
㪞㪅㪘㪅㪚㫃㪸㫊㫊㫀㪺㫊㩷㪙㫃㫆㪺㫂㩷㫏㪈㩷
㪤㪜㪫㪜㪩
㪤㪜㪫㪜㪩
㪞㪅㪘㪅㪚㫃㪸㫊㫊㫀㪺㫊
㪥㫆㫄㫀㫅㪸㫃㩷㪠㫅㫇㫌㫋

Other manuals for Steinberg UR28M

Related product manuals