EasyManua.ls Logo

Steinberg UR816C - Page 42

Steinberg UR816C
47 pages
Print Icon
To Next Page IconTo Next Page
To Next Page IconTo Next Page
To Previous Page IconTo Previous Page
To Previous Page IconTo Previous Page
Loading...
Appendix
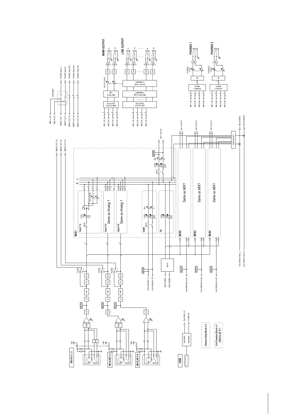
UR816C Operation Manual 42
iPad

Other manuals for Steinberg UR816C

Related product manuals