EasyManua.ls Logo

stellar labs 9628 - Page 49

Default Icon
61 pages
Print Icon
To Next Page IconTo Next Page
To Next Page IconTo Next Page
To Previous Page IconTo Previous Page
To Previous Page IconTo Previous Page
Loading...
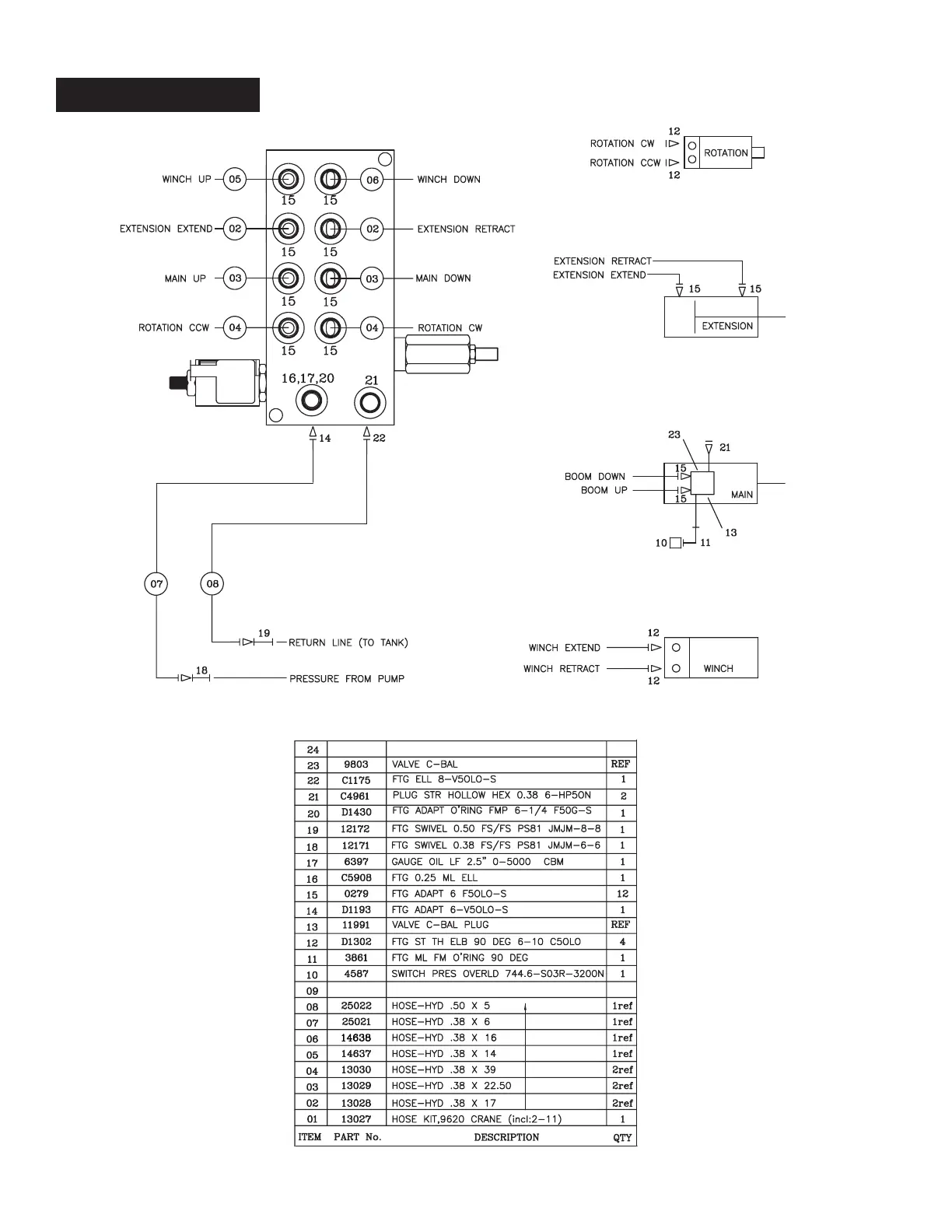
Chapter 8- Hydraulics - Electrical
8-3
P/N 13971
Hydraulic Kit

Related product manuals