EasyManua.ls Logo

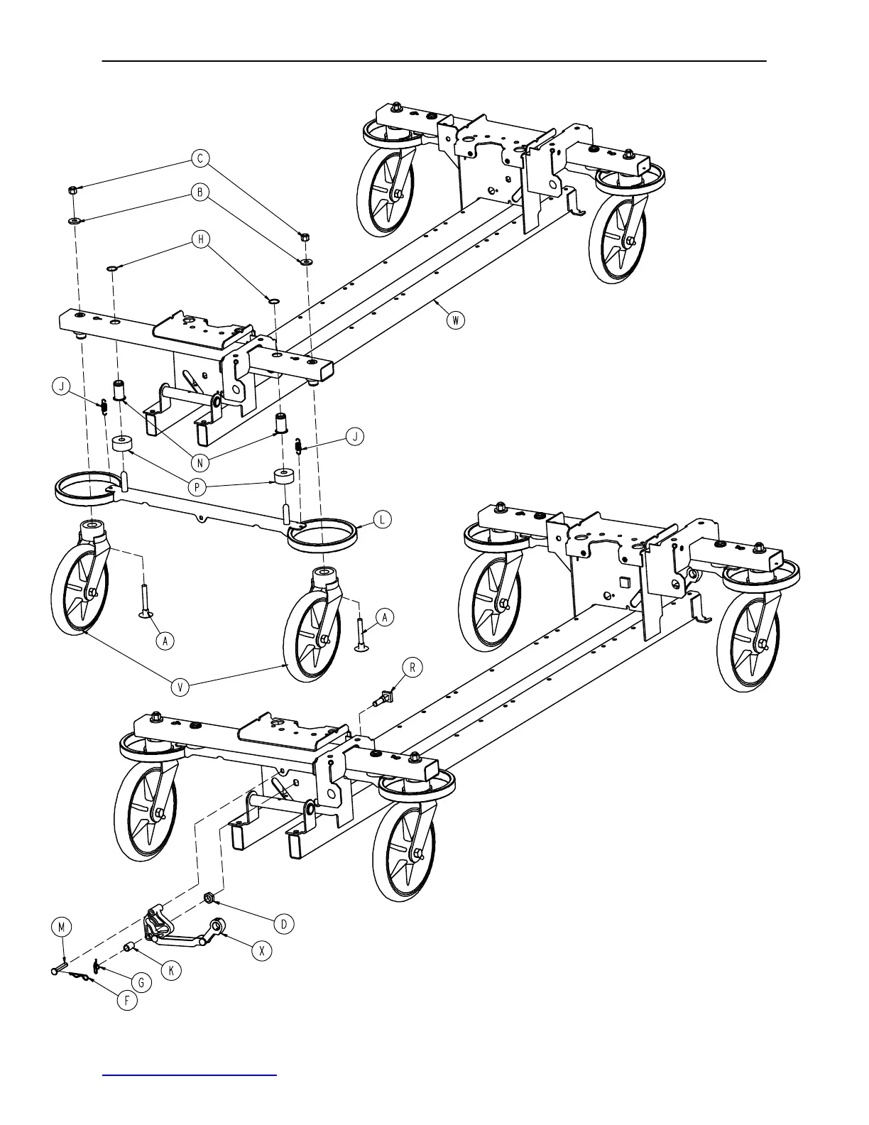
Stryker 1015 - Base Assembly W;Standard Brakes (Big Wheel Base)

Stryker 1015
167 pages
Print Icon
To Next Page IconTo Next Page
To Next Page IconTo Next Page
To Previous Page IconTo Previous Page
To Previous Page IconTo Previous Page
Loading...
Base Assembly w/Standard Brakes (Big Wheel Base)
32
Assembly part number 1040−003−205
(reference only)
Return to Table of Contents

Table of Contents

Related product manuals