EasyManua.ls Logo

Stryker 1015 - Release Pedal Assembly

Stryker 1015
167 pages
Print Icon
To Next Page IconTo Next Page
To Next Page IconTo Next Page
To Previous Page IconTo Previous Page
To Previous Page IconTo Previous Page
Loading...
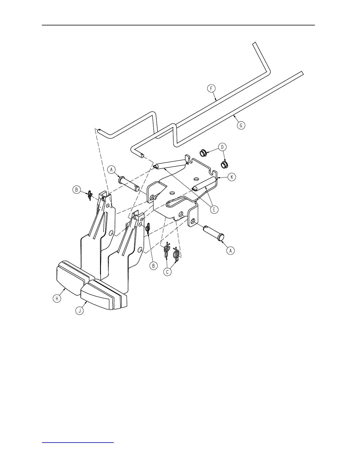
Release Pedal Assembly
52
Assembly part number 0753−004−423 (reference only)
Item Part No. Part Name Qty.
A 0026−132−000 Clevis Pin 2
B 0027−020−000 Rue Ring Cotter 2
C 0027−022−000 Rue Ring Cotter 2
D 0052−822−000 Nyliner 2
E 0753−004−028 Release Pedal Return Spring 2
F 0753−004−038 Foot Release Rod 1
G 0753−004−039 Head Release Rod 1
H 0753−004−144 Foot End Release Pedal, Left 1
J 0753−004−145 Foot End Release Pedal, Right 1
K 0753−004−422 Release Pedal Mtg. Bracket 1
Return to Table of Contents

Table of Contents

Related product manuals