EasyManua.ls Logo

Stryker 1015 - Page 66

Stryker 1015
167 pages
Print Icon
To Next Page IconTo Next Page
To Next Page IconTo Next Page
To Previous Page IconTo Previous Page
To Previous Page IconTo Previous Page
Loading...
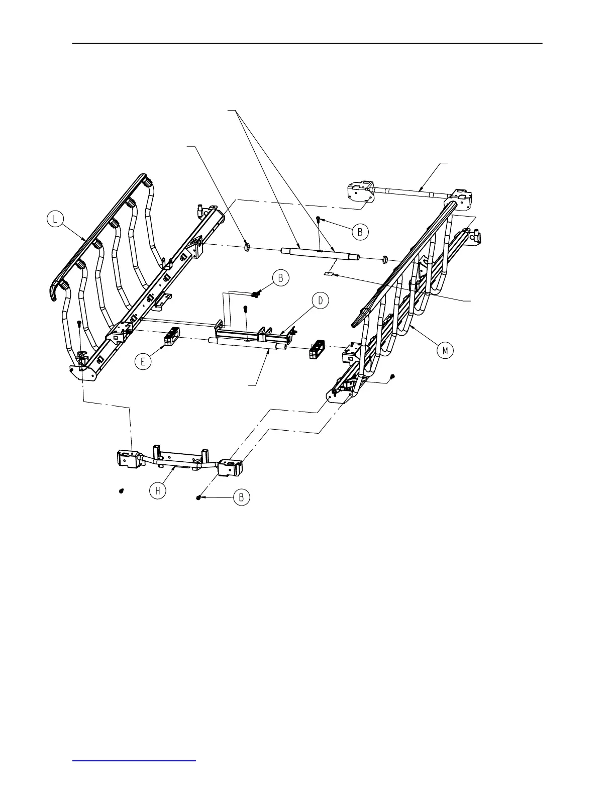
26” Litter Frame Assembly
65
Assembly part number 0785−010−601 (reference only)
0785−010−647 (non−scale)
1070−017−650 (scale)
0785−010−008 (non−scale)
0785−010−615 (non−Zoom)
1040−007−600 (Zoom)
0785−010−647 (non−scale)
1070−017−650 (scale)
0921−001−252
Serial Number Label
Item Part No. Part Name Qty.
B 0023−288−000 Hex Washer Hd. Screw 12
D 0785−008−610 Frame Tie Weldment 1
E 0785−010−006 Trend Block Slide 2
H 0785−010−620 Foot End Weldment 1
L(page 67) Right Siderail Assembly 1
M(page 68) Left Siderail Assembly 1
Return to Table of Contents

Table of Contents

Related product manuals