EasyManua.ls Logo

Stryker 747 - Department Labels

Stryker 747
104 pages
Print Icon
To Next Page IconTo Next Page
To Next Page IconTo Next Page
To Previous Page IconTo Previous Page
To Previous Page IconTo Previous Page
Loading...
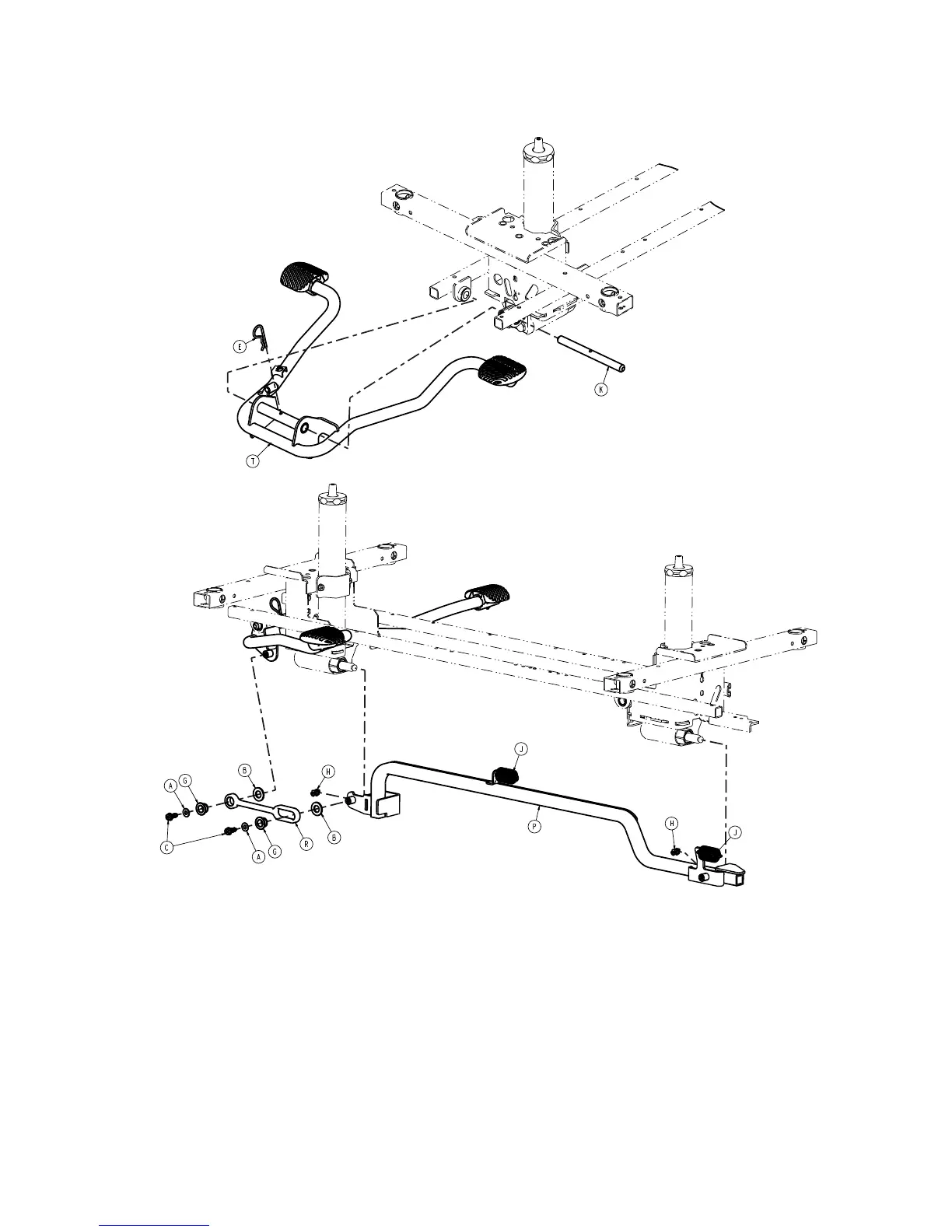
DDuuaall--ssiiddeedd hhyyddrraauulliiccss aasssseemmbbllyy
1105-005-500 Rev D (Reference only)
Torque item C
to 13 ± 2 ft-lb
EN 50
0747-109-002 Rev A.3

Other manuals for Stryker 747

Related product manuals