EasyManua.ls Logo

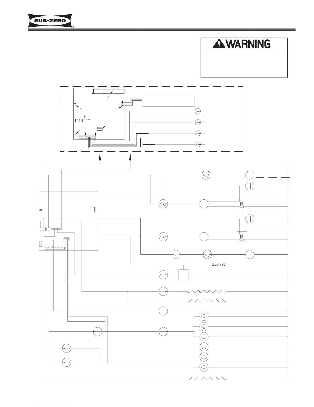
Sub-Zero 700TCI-3 - WIRING SCHEMATIC MODEL: 736 TC;I-3

Sub-Zero 700TCI-3
136 pages
Print Icon
To Next Page IconTo Next Page
To Next Page IconTo Next Page
To Previous Page IconTo Previous Page
To Previous Page IconTo Previous Page
Loading...
Integrated
Integrated
(700-
(700-
3
3
T
T
ALL)
ALL)
Series
Series
Wiring Diagrams/Schematics
10-9
#3758412 - Revision B - December, 2006
-This wiring information is provided for use by qualified
service personnel only.
-Disconnect appliance from electrical supply before
beginning service.
-Be sure all grounding devices are connected when
service is complete.
-Failure to observe the above warnings may result in
severe electrical shock.
M
J6
J5
J3
E2 E7 E10 E6
J2
J1
J7
J4
E6
0
J5
J7
J3
J2
E2 E10E7
J1
J4
J6
0
PIN 1
0
0
0
PIN 1
0
0
BLUE W/BLACK STRIPE
REF EVAP
THERMISTOR
BLUE W/WHITE STRIPE
BLUE W/BLACK STRIPE
BLUE W/RED STRIPE
ORANGE
FREEZER
LIGHT SWITCHES
FREEZER
FAN SWITCHES
REFRIGERATOR
COMPRESSOR
2300-2900 Ω
GRAY
30-38 Ω
WHITE
155-175 Ω
ORANGE
ORANGE/BLACK
ORANGE
(WHEN USED)
(WHEN USED)
M
M
M
M
DRAIN TROUGH
HEATER
LOW VOLTAGE
HIGH VOLTAGE
ICEMAKER
REFRIGERATOR
LIGHT SWITCH
LIGHT
TERMINATOR
CONDENSER
FAN MOTOR
DEFROST
TERMINATOR
REFRIGERATOR
LIGHTS
FREEZER
LIGHTS
FILL TUBE
HEATER
DEFROST
HEATER
FREEZER
OVERLOAD
PROTECTOR
NEUT
115 VOLTS
60 CYCLES
L1
REFR. OVERLOAD
PROTECTOR
WATER
VALVE
FREEZER
COMPRESSOR
STARTING
RELAY
FREEZER
FAN MOTOR
RUNNING
CAPACITOR
REFRIGERATOR
FAN SWITCH
REFRIGERATOR
FAN MOTOR
ICEMAKER
SWITCH
160 Ω
WHITE
BLACK
PURPLE
TAN
PINK
GRAY/WHITE
BLUE
WHITE/RED
ORANGE
ORANGE
WHITE/BLUE
TAN
PURPLE RED
RED
STARTING
RELAY
RUNNING
CAPACITOR
MEMBRANE SWITCH
DISPLAY
FZR EVAP
THERMISTOR
BLUE W/YELLOW STRIPE
BLUE W/WHITE STRIPE
ORANGE W/RED STRIPE
ORANGE W/YELLOW STRIPE
FZR CAB
THERMISTOR
REF CAB
THERMISTOR
RED
PIN 1
PIN 1
PIN 1
PIN 1
PIN 1
PART NUMBER 3758578 REV C
WIRING SCEMATIC
MODEL: 736TC/I-3

Table of Contents

Related product manuals