EasyManua.ls Logo

Sullair 185 - Page 46

Sullair 185
137 pages
Print Icon
To Next Page IconTo Next Page
To Next Page IconTo Next Page
To Previous Page IconTo Previous Page
To Previous Page IconTo Previous Page
Loading...
Section 7
ILLUSTRATIONS AND PARTS LIST
40
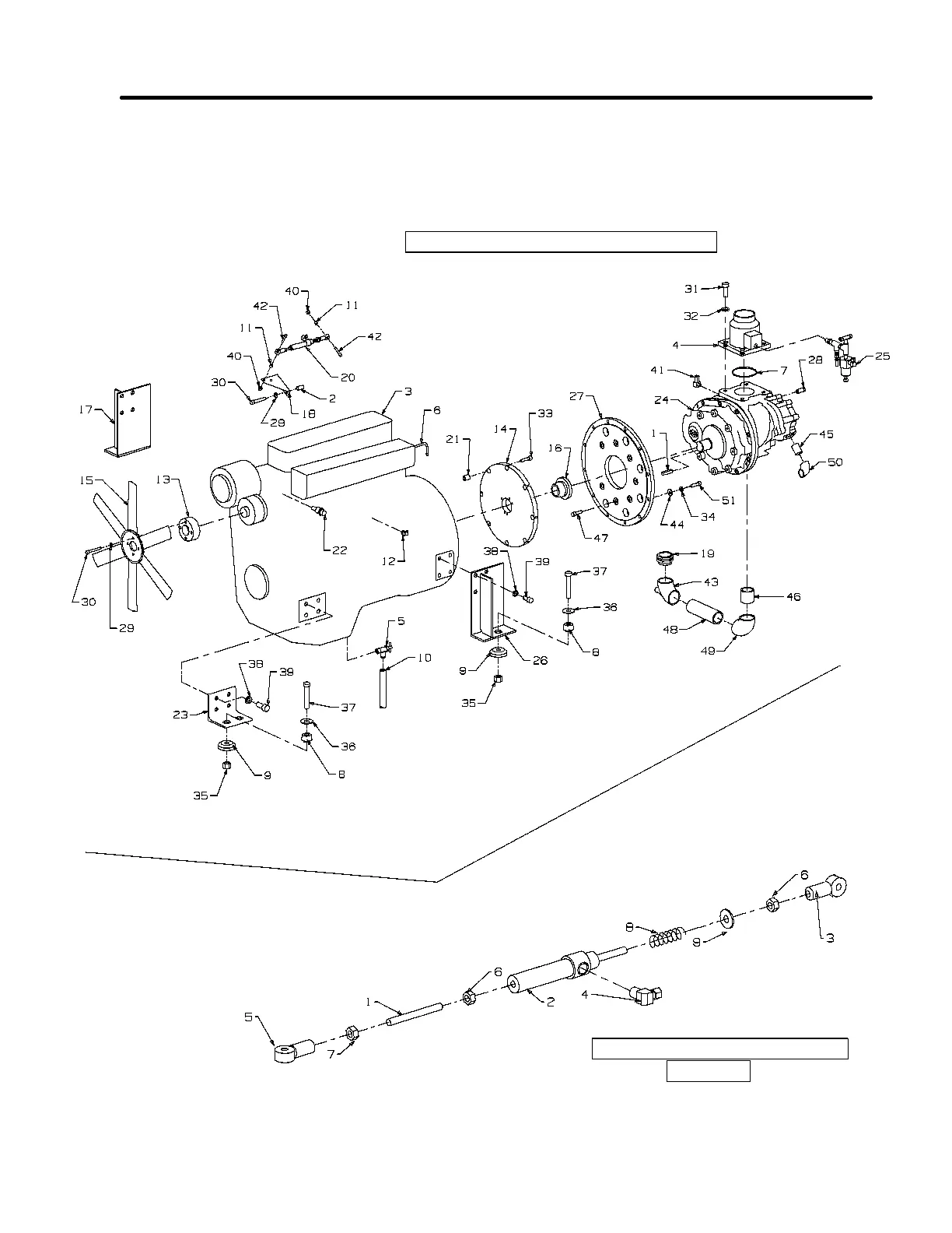
7.3 ENGINE, COMPRES SOR A ND PARTS --- J OHN DEERE --- 18 5 MODELS
ENGINE SPEED CYLINDER
ENGINE, COMPRESSOR & PARTS
ITEM 20

Other manuals for Sullair 185

Related product manuals