EasyManua.ls Logo

Sullair 3007 - WIRING DIAGRAM, WYE-DELTA AIR-COOLED

Sullair 3007
146 pages
To Next Page IconTo Next Page
To Next Page IconTo Next Page
To Previous Page IconTo Previous Page
To Previous Page IconTo Previous Page
Loading...
3.13
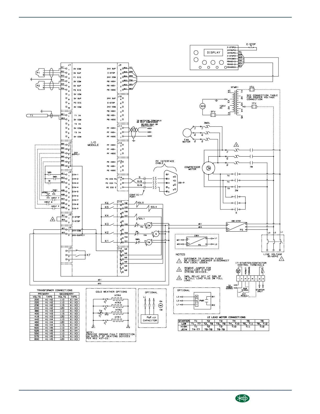
WIRING DIAGRAM, WYE-DELTA AIR-COOLED
02250156_118R03-1
SECTION 3
38
3000-4500 Operator’s Manual and Parts List
®SULLAIR®

Table of Contents

Other manuals for Sullair 3007

Related product manuals