EasyManua.ls Logo

Sullair 425 - Air Inlet System & Exhaust System

Sullair 425
164 pages
Print Icon
To Next Page IconTo Next Page
To Next Page IconTo Next Page
To Previous Page IconTo Previous Page
To Previous Page IconTo Previous Page
Loading...
88
375 John Deere Standard and Aftercooled/Filtered Operator’s Manual and Parts List
SECTION 7
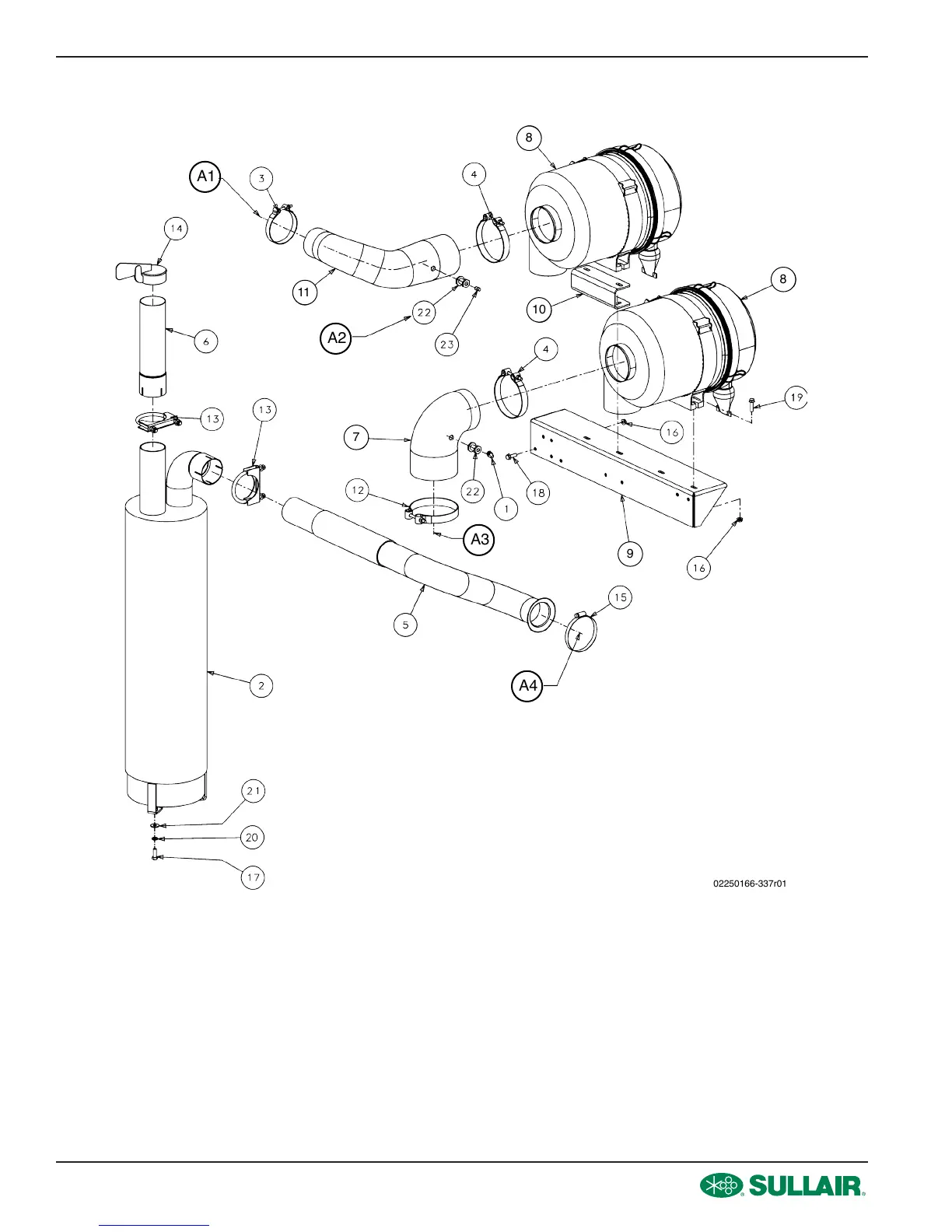
AIR INLET SYSTEM & EXHAUST SYSTEM7.5
A1
A2
A3
A4
02250166-337r01
11
10
8
7
9
8

Table of Contents

Other manuals for Sullair 425

Related product manuals