EasyManua.ls Logo

Sunny SF-E2310 - Step 5: Mount Pedals

Sunny SF-E2310
14 pages
Print Icon
To Next Page IconTo Next Page
To Next Page IconTo Next Page
To Previous Page IconTo Previous Page
To Previous Page IconTo Previous Page
Loading...
10
33
32
38
39
33
32
7
8
37
39
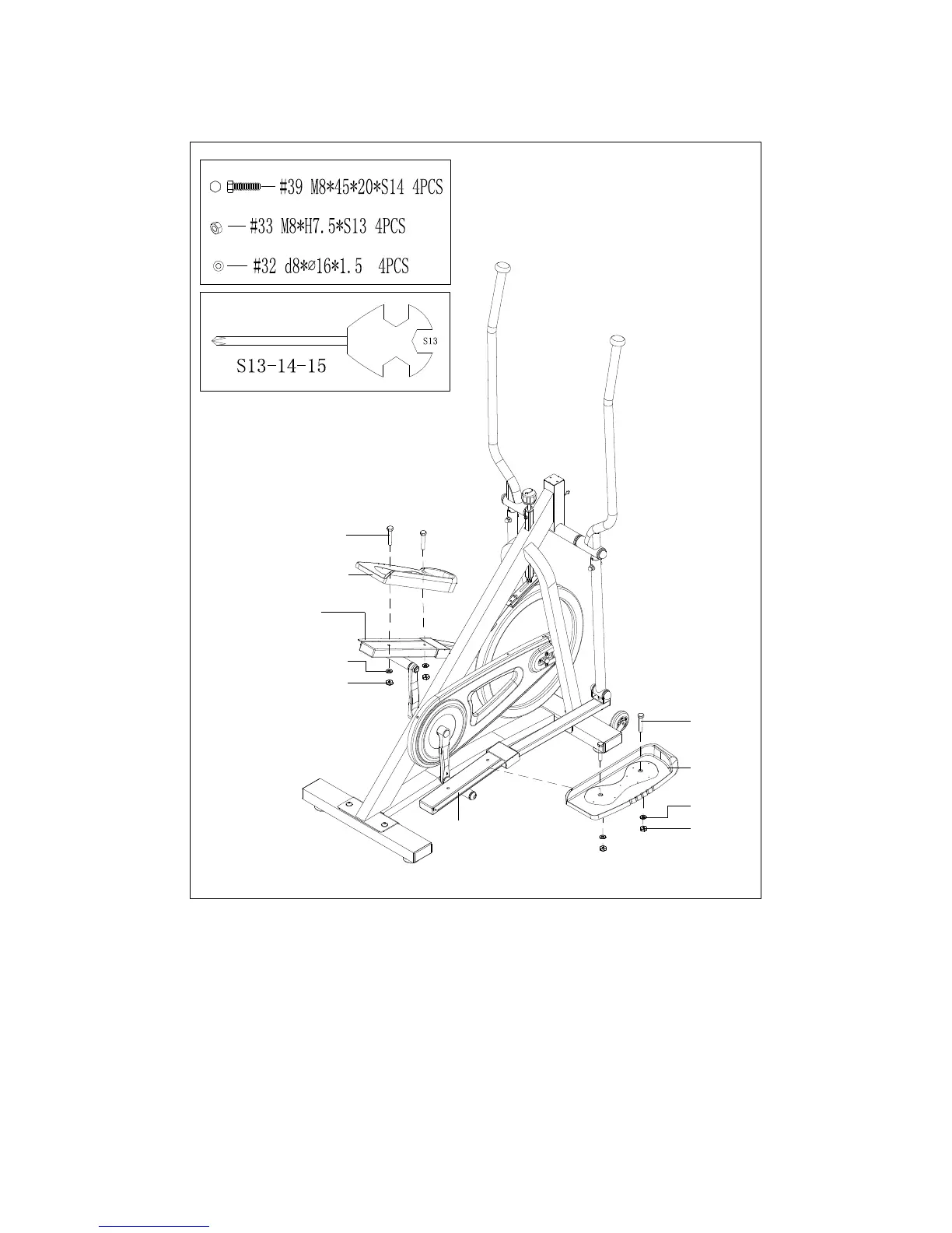
STEP: 5
Attach the Left and Right Pedals (No. 37 and No. 38) to the Left and Right Pedal
Posts (No. 7 and No. 8) using 4 Bolts (No. 39), 4 Washers (No. 32) and 4 Nuts (No.
33), secure with Spanner (No. 109).

Other manuals for Sunny SF-E2310

Related product manuals