EasyManua.ls Logo

SUNWARD SWTH634 - Hydraulic System Diagram

SUNWARD SWTH634
55 pages
Print Icon
To Next Page IconTo Next Page
To Next Page IconTo Next Page
To Previous Page IconTo Previous Page
To Previous Page IconTo Previous Page
Loading...
52
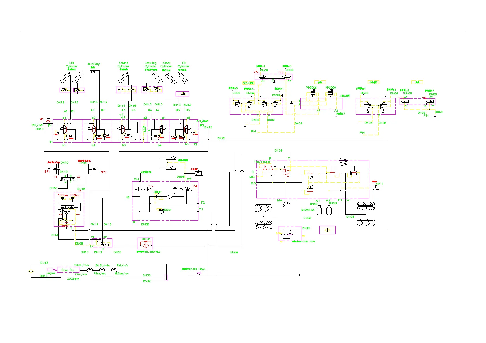
8.2 HYDRAULIC SYSTEM DIAGRAM
1
42 2 4
1

Table of Contents

Related product manuals