EasyManua.ls Logo

Sym MAXSYM 400i - Page 216

Sym MAXSYM 400i
274 pages
Print Icon
To Next Page IconTo Next Page
To Next Page IconTo Next Page
To Previous Page IconTo Previous Page
To Previous Page IconTo Previous Page
Loading...
14. Brake System
14-17
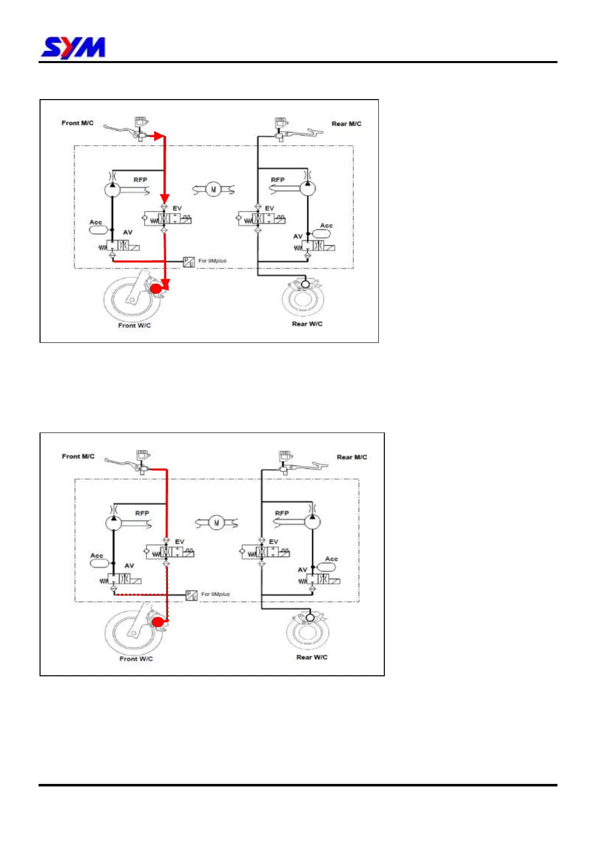
ABS description
Normal brake
When the brake is applied, speed sensors detect the front and rear wheel speed. When there is no wheel
slip, EV (inlet valve for maintaining pressure) keeps open and AV (outlet valve for pressure reduction) is
closed. Brake calipers receive pressure for master cylinders and brake normally.
Initial wheel slip
When the initial wheel slip is detected by the wheel speed sensors, EV and AV are both closed. Brake
caliper keeps the pressure and brake continues.

Table of Contents

Related product manuals