EasyManua.ls Logo

Tait TB9100 - Page 24

Tait TB9100
132 pages
Print Icon
To Next Page IconTo Next Page
To Next Page IconTo Next Page
To Previous Page IconTo Previous Page
To Previous Page IconTo Previous Page
Loading...
24 Digital Circuitry TB9100 Reciter Service Manual
© Tait Electronics Limited January 2006
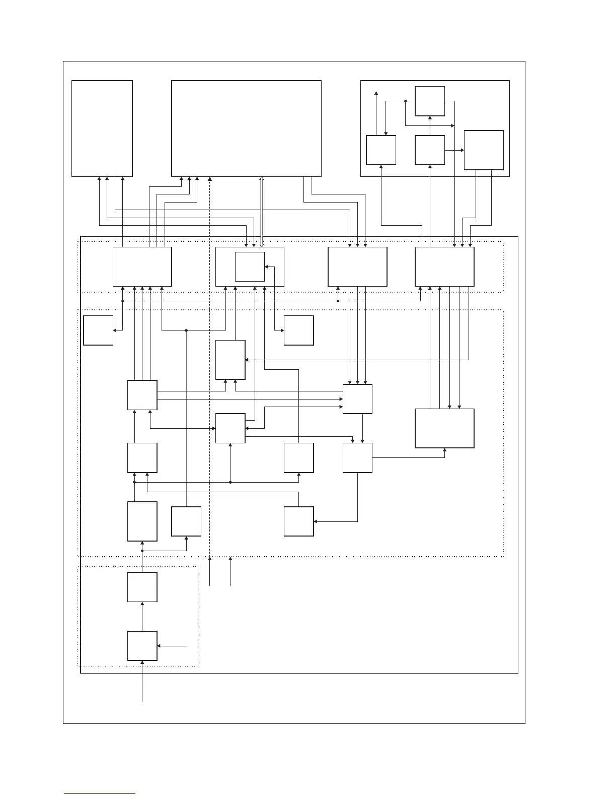
Figure 3.1 Reciter Digital Circuitry Block Diagram
RSSI
Process
Loopback
Crosspoint
Switch
FM
Demodulation
Rx Audio
Processor
DDCADC
Rx
Crosspoint
Switch
Interface
(serial
port)
CODECs
& Signal
Conditioning
Interface
(RISC/
DSP)
Tx
Crosspoint
Switch
DSP
Frequency
Control Loop
Section
Tx Audio
Processor
Signalling
Processor
Audio & DC
Measurement
Noise
Mute
serial port
Interface
(RISC/
DSP)
RISC
serial port
CODECs
& Signal
Conditioning
serial port
CODECs
& Signal
Conditioning
serial port
Tx VCO
Tx
Synthesiser
Tx VCXO
RF
Frequency
Control Loop
Section
RF PCBDigital PCB
Control Panel PCB
Digital Signal
Paths
DSPDigital IF
ASIF PCB
Speaker
Microphone
Programming Port
LEDs and Switches
RSSI
Balanced Audio Output
Unbalanced Audio Output
Balanced Audio Input
Discrete I/O & SIO Bus
Unbalanced Audio Input
VCO Modulation
VCXO Modulation
VCO Control Feedback
FCL I
FCL Q
40MHz Clock
40MHz Clock
70.1MHz IF
from RF PCB
40MSPS
12.8MHz Clock

Other manuals for Tait TB9100

Related product manuals