EasyManua.ls Logo

TCM FD45T9 - Page 73

TCM FD45T9
291 pages
Print Icon
To Next Page IconTo Next Page
To Next Page IconTo Next Page
To Previous Page IconTo Previous Page
To Previous Page IconTo Previous Page
Loading...
2-29
Fig. 2.85
Fig. 2.84
Fig. 2.83
REINSTALLATION
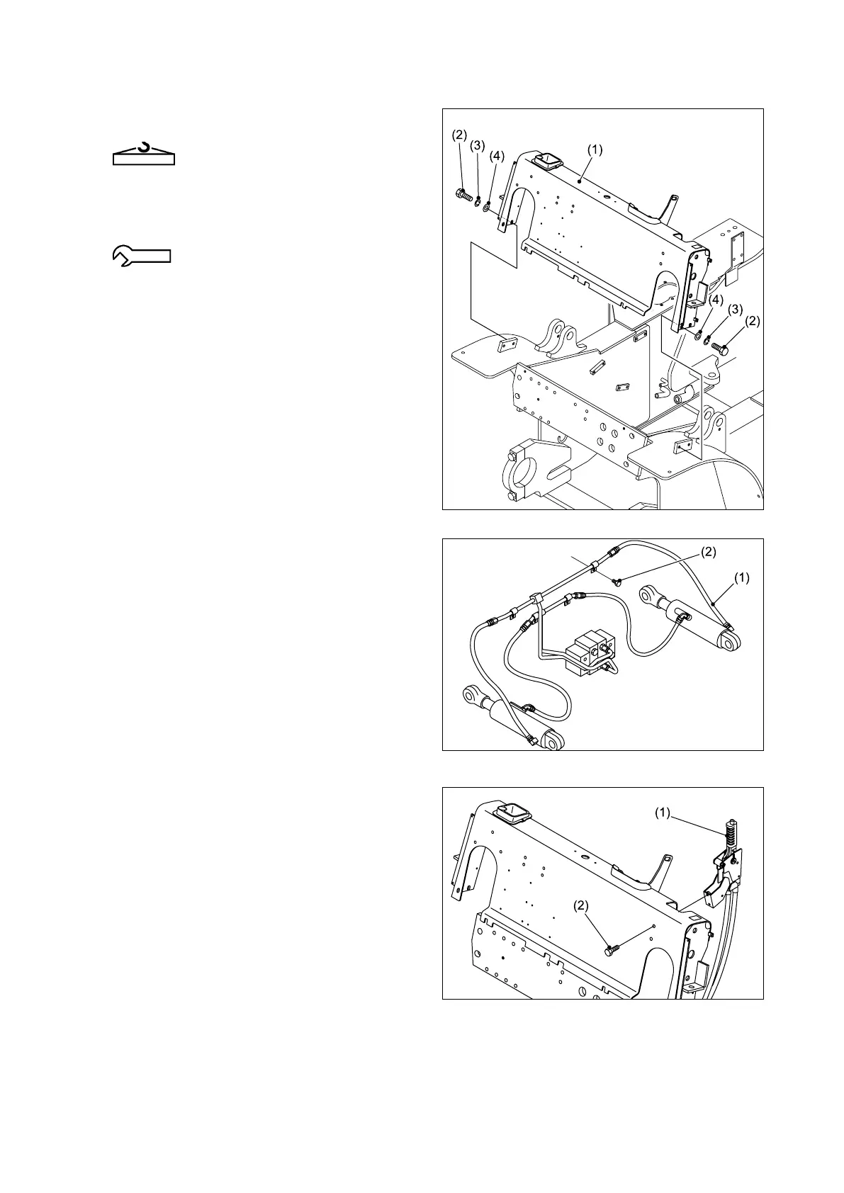
Hoist the front guard (1) and place it in the
mounting position in the front of the frame.
40 kg [88 lbs]
Secure the front guard (1) using the four bolts
(2), spring washers (3) and washers (4) at the
right and left sides of the front guard.
31.4 - 47.1 N-m {3.2 - 4.8 kgf-m}
[23.2 - 34.7 lbf-ft]
Install the tilt cylinder piping (1) on the front
guard using the bolts (2).
Install the parking brake lever (1) on the front
guard using the bolts (2).
Connect the wiring to the parking brake
switch.
Install the brake oil reservoir.

Related product manuals