EasyManua.ls Logo

TDK-Lambda LS Series - Series Operation; Parallel Operation; Withstand Voltage

TDK-Lambda LS Series
23 pages
Print Icon
To Next Page IconTo Next Page
To Next Page IconTo Next Page
To Previous Page IconTo Previous Page
To Previous Page IconTo Previous Page
Loading...
0
All specifications are subject to change without notice.
LS
Series
󱫀
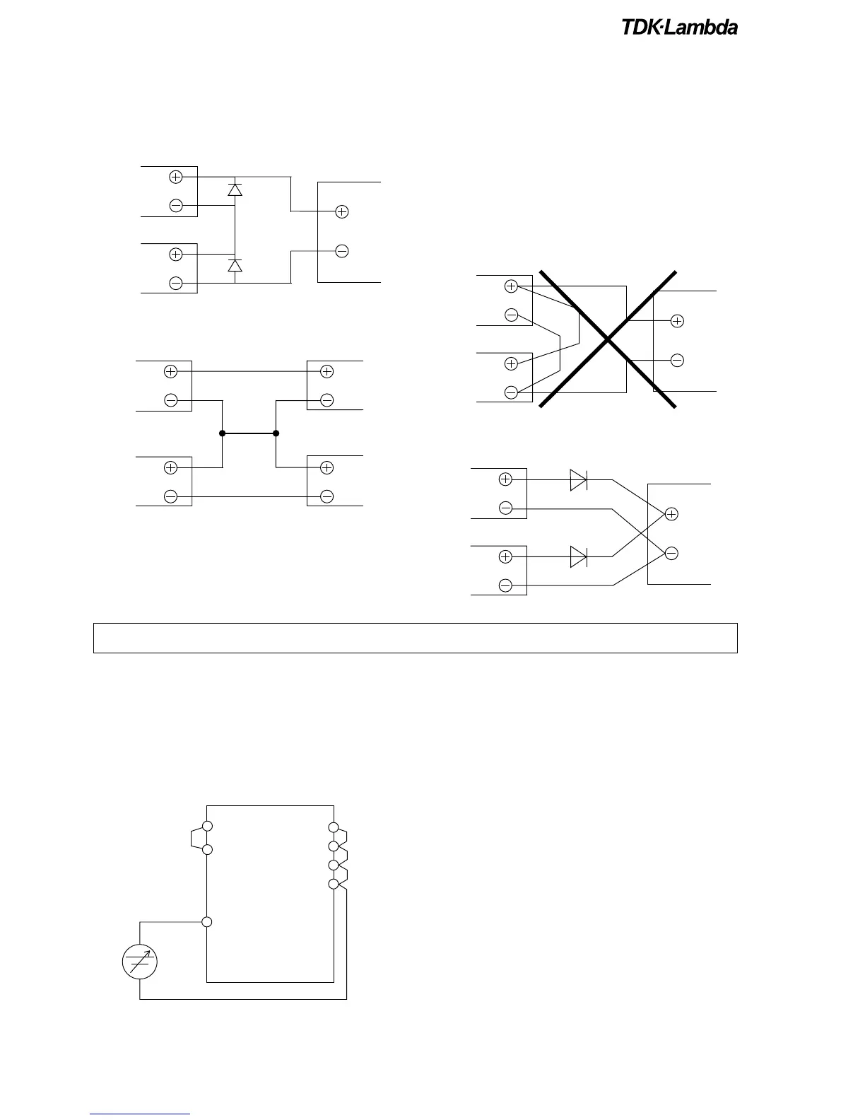
Isolation Test
Isolation resistance between output and FG (chassis) shall be
more than 100M
Ω
at 500VDC. For safety, voltage setting of DC
isolation tester must be done before the test. Ensure that the
unit is fully discharged after the test.
(A) Output - FG (chassis) : 500VDC, 100M
Ω
or more
󱫂
Withstand Voltage
This series is designed to withstand 3.0kVAC between input
and output, 1.5kVAC between input and FG (chassis) and
500VAC between output and FG (chassis) each for 1 minute.
When testing withstand voltage, set current limit of with-
stand voltage test equipment at 20mA (Output-FG (chassis) :
100mA). The applied voltage must be gradually increased from
zero to testing value and then gradually decreased for shut
down. When timer is used, the power supply may be damaged
by high impulse voltage at timer switch on and off. Connect
input and output as follows.
4. Isolation / Withstand Voltage
AC(N)
AC(L)
FG
+V
+V
-V
-V
Isolation
Tester
󱫌
Series Operation
For series operation, either method ( A ) or ( B ) is possible.
Method (A)
Method (B)
󱫎
Parallel Operation
(A) Operation to increase the Output Current is not possible.
(B) Operation as a Backup Power Supply is possible as follows.
1. Set the power supply output voltage higher by the
amount of forward voltage drop (V
F
) of the diode.
. Please adjust the output voltage of each power supply
to be the same.
. Please use within the specications for output voltage
and output current.
(A)
(B
)
Output
Terminal
Power
Supply
Load
Output
Terminal
Output
Terminal
Power
Supply
Load
Load
Output
Terminal
Output
Terminal
Power
Supply
Load
Output
Terminal
Output
Terminal
Power
Supply
Load
Output
Terminal
Note : In case of Method ( A ), please connect diodes to prevent
the reverse voltage.

Related product manuals