EasyManua.ls Logo

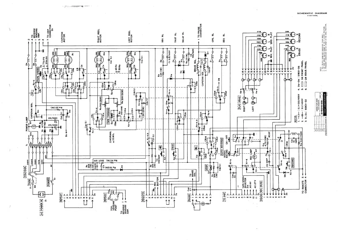
Teac A-6010GSL - Tape Transport Schematic

Teac A-6010GSL
73 pages
Print Icon
To Next Page IconTo Next Page
To Next Page IconTo Next Page
To Previous Page IconTo Previous Page
To Previous Page IconTo Previous Page
Loading...
=
-WoLLISO4
2109
3HL
WI
NHOHS
HOLIAS
NOISWBNVOD
AaWanDSE
“£
comes}
q
NDILISOd
Sai2/I-d
SH
MI
WAOHS
HOLIRS
0334S
36VL
ES
“2
rd
“(30h
4015)
G371983N3
LON
ANOHS
SATIN
TTY
*L
=
§
SHON
g,
ees
8
Q8
3
gi
A
JANVd
UVaY
NO
CII
“9
z0-loals
:ta‘ia
‘€
v
YOLOANNOD
z
JaNYd
LNOad
NO
C's
A00v/10
:
AE
%
eee
ea
|
Y
§
aLOWaa
OL
e
quooay
ae.
9O-IOGIS
1
BQ~Ed
“py
Ad0H/OZ+F'0:
A
°
‘SALON
1
a
te
&H
AWOIa
PBX
po
TWNOIS
tiny
52
[asuanaa_ouny]
vO)
AeaD
Te
"Aaa
Ta
ado
Ooze
r
:
"
<s
WOLOANNOD
Teies
,
PIS
NASA
i
>
f
OF,
o
1
asNvd
O1
+
Sf
18;
“Tos
auvue
Lcd
\
:
tele
6
1
i
oe
Oe
ee
es)
en
saa
(MND
OI
OE
t
OAM
-O
t
a
AWG
ro
sa
i
;
Wt
asva
o
0
-O
1
1
f:
ex
7
+a
i
7
AOFI/ER
£9,
Ta
Aaa
No1ine
=——<
$
Daa
=<
Hee
z
rT
:
raowaal
taLOWSY,
YOLOW
i
aaa
14a
pTaA
cs
“WY
!
re
=
ene
|
CROBOOE
VA
(Honos
—_!
a
a
1
er
a
aa
a
4
sod
oD
P
r
a
R
@
jas
OONISNAS
i
cant
a7
8
WOd
NOISNHL
Savi
2)
3
s
ages
a.
|
CAYEdBa
YOLOW
¢
Taga
LHS
é
3
rn
u
o1
6
Ss
a
9
E
yp
toes
<z
4Oo1ow
ct
al
RECESH
8
O68
S$
Oo:
2
z
g
YOLDAINNOD
S
AWV
OL
=
9
saint
|
Otel)
PL
pete
tO
it
INL
aaNOd
SY}
vawy
&
isu:
Cy
5
Oy
Lil
x
Saree
WV
8AMOd

Related product manuals