EasyManua.ls Logo

Teac PL-D2200 - Connecting Components to TV; Connecting to a Television; Component and S-Video Connections; Color System Setting

Teac PL-D2200
36 pages
Print Icon
To Next Page IconTo Next Page
To Next Page IconTo Next Page
To Previous Page IconTo Previous Page
To Previous Page IconTo Previous Page
Loading...
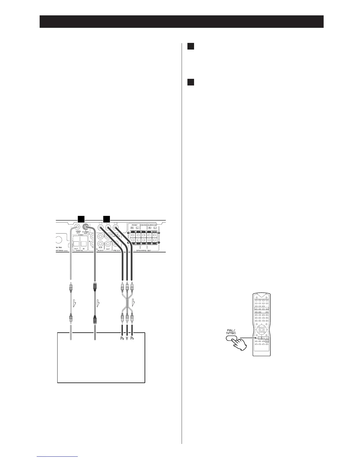
Connection 1
6
COMPONENT VIDEO jacks
If your TV or monitor has COMPONENT VIDEO IN jacks,
connect them with a quality component video cable.
S-VIDEO or VIDEO jacks
S-VIDEO connection is better than composite (VIDEO)
connection.
If the component has an S-VIDEO jack, connect it with a S-
VIDEO cable, and select S-VIDEO in the DVD SETUP menu.
S-VIDEO OUT (PL-D2200) q S-VIDEO IN (TV)
CAUTION:
In the default setting, COMPONENT VIDEO OUT jacks are
not active. If you want to use COMPONENT VIDEO OUT
jacks, follow these steps.
1. Connect the VIDEO OUT jack on this unit to the VIDEO IN
jack on the TV with an RCA video cable. You can use the
provided yellow cable.
2. Connect the COMPONENT VIDEO OUT jacks on this unit to
the COMPONENT VIDEO IN jacks on the TV with a
component video cable.
3. Turn this unit and the TV on, and select the VIDEO OUPUT to
COMPONENT in the DVD SETUP menu (see page 13).
4. Turn this unit and the TV off, and disconnect the RCA video
cable.
If neither COMPONENT nor S-VIDEO is available, connect
the component with a high quality RCA cable designed for
video applications.
VIDEO OUT (PL-D2200) q VIDEO IN (TV)
B
A
CAUTION:
<
Switch off the power to all equipment before making
connections.
<
Read the instructions of each component you intend to use
with this unit.
<
Be sure to insert each plug securely. To prevent hum and
noise, avoid bundling the signal interconnection cables
together with the AC power cord or speaker cables.
Connection to a TV
Connect the unit using one of the following terminations to
your TV or monitor.
<
For better picture quality, do not connect more than one
video cable.
<
Please connect this unit to a TV directly. If the TV is
connected through a video cassette recorder, playback of a
copy protected DVD disc could result in a distorted picture
quality.
CB Y
COMPONENT
VIDEO OUT
CR
VIDEO IN S-VIDEO IN
TV (MONITOR)
A
B
COMPONENT
VIDEO IN
About Color System
You have to select the color system to match your TV.
When all the connection has been done, turn the DVD player
and the connected TV on.
If your TV is PAL or NTSC, press the PAL/NTSC button
repeatedly until PAL or NTSC appears on the TV screen.
The default setting is MULTI.
PAL:
Select PAL when a PAL TV (European standard) is
connected.
NTSC:
Select NTSC when a NTSC TV (American standard) is
connected.
MULTI:
Select MULTI when a MULTI TV is connected.
<
The PAL/NTSC button is for temporary use only. Please
select the correct color system in the DVD SETUP menu (see
page 12).
<
The PAL/NTSC button will not work when the DVD SETUP
menu is shown on the screen.
家电维修技术论坛 http://www.bjjdwx.com/forum.php
79网络 http://www.79wl.com

Related product manuals