EasyManua.ls Logo

TEC TECDrive TEC-3 Series - Power & Control Wiring; 4.1. Connection Diagram; 4.2. Protective Earth (PE) Connection

Default Icon
29 pages
Print Icon
To Next Page IconTo Next Page
To Next Page IconTo Next Page
To Previous Page IconTo Previous Page
To Previous Page IconTo Previous Page
Loading...
TECDrive TEC-3 User Guide Revision 1.20
12
www.tecmotors.co.uk/tecdrive
4
Power & Control Wiring
4. Power & Control Wiring
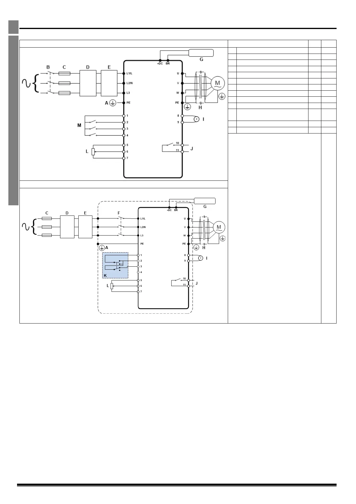
4.1. Connection Diagram
4.1.1. IP20 & IP66 (Nema 4X) Non- Switched Units
Key
Sec.
Page
A
Protective Earth (PE) Connection
4.2
12
B
Incoming Power Connection
4.3
13
C
Fuse / Circuit Breaker Selection
4.3.2
13
D
Optional Input Choke
4.3.3
13
E
Optional External EMC Filter
4.10
15
F
Internal Disconnect / Isolator
4.3
13
G
Optional Brake Resistor
4.11
15
H
Motor Connection
I
Analog Output
4.8.1
15
J
Relay Output
4.8.2
15
K
Using the REV/0/FWD Selector
Switch (Switched Version Only)
4.7
14
L
Analog Inputs
4.8.3
15
M
Digital Inputs
4.8.4
15
4.1.2. IP66 (Nema 4X) Switched Units
4.2. Protective Earth (PE) Connection
Grounding Guidelines
The ground terminal of each TECDrive should be individually connected DIRECTLY to the site ground bus bar (through the filter if installed).
TECDrive ground connections should not loop from one drive to another, or to, or from any other equipment. Ground loop impedance must
confirm to local industrial safety regulations. To meet UL regulations, UL approved ring crimp terminals should be used for all ground wiring
connections.
The drive Safety Ground must be connected to system ground. Ground impedance must conform to the requirements of national and local
industrial safety regulations and/or electrical codes. The integrity of all ground connections should be checked periodically.
Protective Earth Conductor
The Cross sectional area of the PE Conductor must be at least equal to that of the incoming supply conductor.
Safety Ground
This is the safety ground for the drive that is required by code. One of these points must be connected to adjacent building steel (girder, joist), a
floor ground rod, or bus bar. Grounding points must comply with national and local industrial safety regulations and/or electrical codes.
Motor Ground
The motor ground must be connected to one of the ground terminals on the drive.
Ground Fault Monitoring
As with all inverters, a leakage current to earth can exist. The TECDrive is designed to produce the minimum possible leakage current whilst
complying with worldwide standards. The level of current is affected by motor cable length and type, the effective switching frequency, the
earth connections used and the type of RFI filter installed. If an ELCB (Earth Leakage Circuit Breaker) is to be used, the following conditions
apply: -
A Type B Device must be used
The device must be suitable for protecting equipment with a DC component in the leakage current
Individual ELCBs should be used for each TECDrive

Table of Contents

Related product manuals