EasyManua.ls Logo

Technics RS-D225W - Block Diagram

Technics RS-D225W
24 pages
Print Icon
To Next Page IconTo Next Page
To Next Page IconTo Next Page
To Previous Page IconTo Previous Page
To Previous Page IconTo Previous Page
Loading...
@
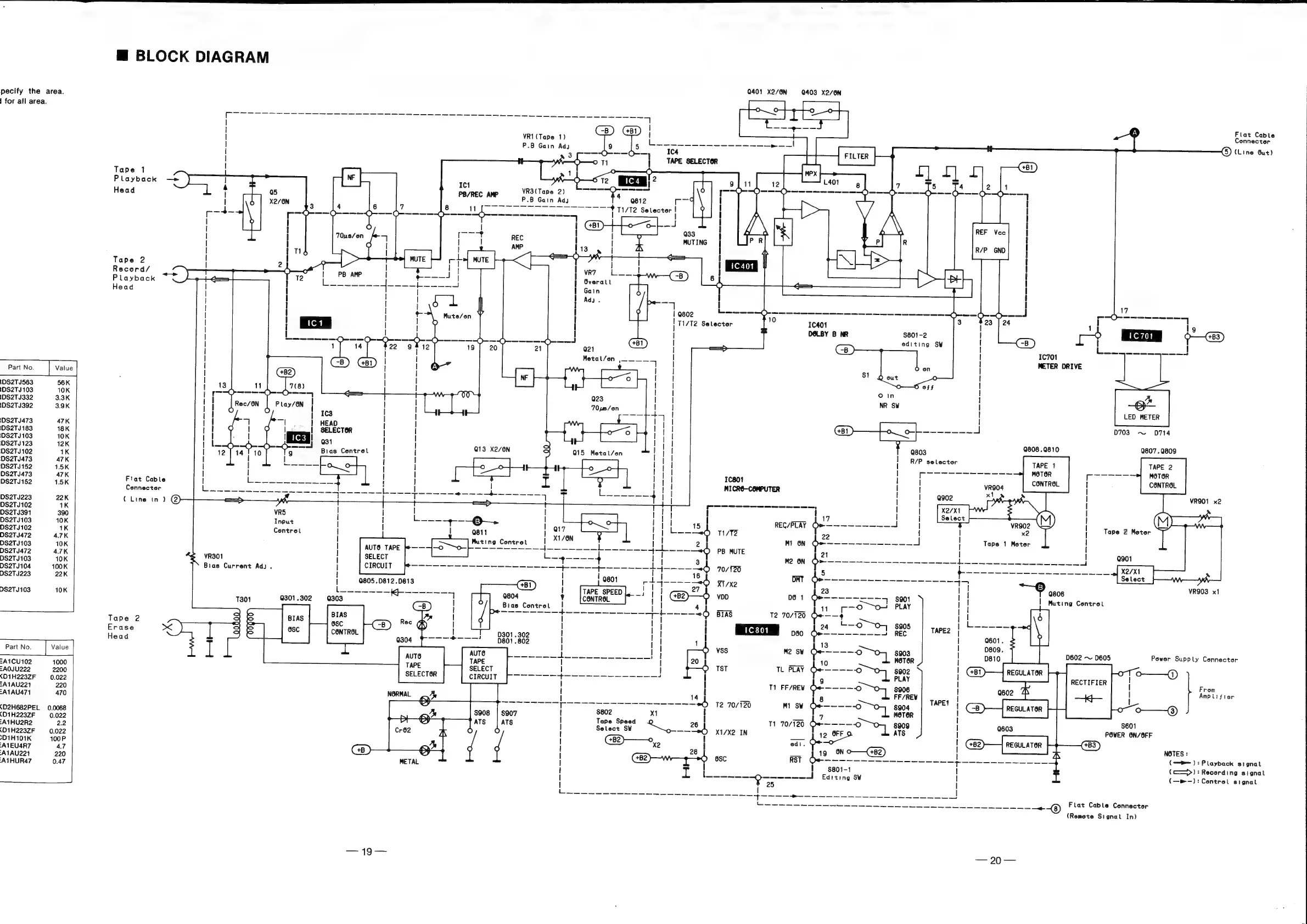
BLOCK
DIAGRAM
Q401
X2/0N
Q403
X2/0N
pecify
the
area.
|
for
all
area.
Rye
a
ee
ee
a
a
ee
ee
Se
A
Flat
Cable
r
Connector
|
|
VRI
(Tape
1)
)
(Line
Out)
P.B
Gain
Adj
|
!
I
Tape
1
4
Playback
—»
VR3(Tape
2)
i
Head
PB/REC
AMP
P.B
Gain
Ady
Q812
he
|
Soo
pire
tte
ee
Se
*
T1/T2
Selecter
|
|
!
|
Tape
2
j
|
|
Record/
|
7
era
t---7
|
Overall
|
P
Layback
Se
ey
oe
I
ee
4
Gain
|
Head
17
|
RAP:
ae,
Seen
See
at
eee
aE”
CIT
J
ocean
acca
|
3
I9
H
Mute/on
|
T1/T2
Selector
ae
10401
|
t
}
733
|
:
DOLBY
B
NR
$801-2
|
1C701
(83)
|
H
editing
SW
L
!
is
aueanarr
aan’
ew
ase
a
Cs
)
|
1¢701
|
Metat/en
—____
ble
METER
DRIVE
|
|
|
$1
Q
out
O
I
|
Part
No.
|
|
O
O
off
|
|
|
|
Oin
I
1DS2TJ563
;
13
"1
8)
77
R
Sy
1DS2TJ103
10K
|
[7Or—--O--0
7
a
|
MS
|
LED
METER
1DS2TI332
3.3K
1
|
[Recon
|
Ptay/@n
|
ge
DS2T
392
3.9K
|
|
O
j
Ics
\
rae
J
D703
~
0714
|
a
se
|
HEAD
i
|
It
Ds2T183
18k
|
|
1
ica
|
SEEEL
TES:
H
|
|
808.0810
807,809
i]
:
1C3
|
-
|
pele
eo
je
—~-
al
ae
Gee
Q13
X2/0N
S
Q15
Metat/on
|
R/P
selector
TAPE
1
TAPE
2
DS2TJ102
1K
Vey
as
10
|
Hertl
|
annneneatetentententetoen
MOTOR
eae
aoe
MOTOR
DS2TJ473
47K
|
|
Oe
ra
|
|
|
|
|
1C801
|
|
CONTROL
|
CONTROL
DS2TJ152
1.5K
|
|
| I
| |
|
|
|
DS2TJ473
47K
tat
Cable
Ube
ote
tence
Fen
\ |
|
MICRO-COMPUTER
| | |
VR901
x2
K
Frat
Cab
l | |
|
|
DS2TJ152
16
Connector
Ve
ee
+
|
|
present
ee,
|
|
|
DS2TJ223
22K
(Line
in)
@
==>
v
ly
!
17
|
I
DS2TJ102
tk
VR5
1)
.cofgel
REC/PLAY
Qe—————————
4
|
Tape
2
Motor
1
3
sat
yi03
10K
Input
j
L——
11/72
22
J
|
|
DS2TJ102
1K
Centrot
a
3
saat
M1
ON
Ow
—-————___—
DS2TJ472
4.7K
sas
21
asad
DS2TJ103
10K
pete
.
We
ON
Om
Sate
oie
NER
erent
ese
DS2T
472
4.7K
¢
VR301
2
Tes
eee
710/120
}----------------__-
DS2TJ103
10K
Bias
Current
Ad)
.
SIRey
rl
16
tee
ee
eae
14
E908
sx!
DSZTJ104
100K
TT
ag
Ree
23
I
|
eo0e
oilers
=
L
pres
|
+B2
O
voo
D6
1
QO»—————-~——
4
eno!
|
|
Muting
Centret
DS2TJ103
10K
a
Sense
fi
Ta,
poo
PLA
!
!
-------—
+——--————-—---}+---—
<=
BTA8
T2
70/120
--¢
ate
S
i
24
b-0
07
8005
|
type.
|
L-----
Tape
2
S
!
1
|
1C801
peo
=
aioe
San
Sic
eri
REC
|
ave
Erase
x<
S
D301.
302
|
{
13
|
pa09.
Head
D801
.
802
|
|
de
M2
SW
—---0
$903
|
D602
~
D605
Power
Supply
Connector
AUTO
phe
hili
ea
a
AS
1
|
‘6
MOTOR
|
-----
20
—_
ces
ves
i
TAPE
!
|
TST
TL
PLAY
Oe——-~6
$902
=)
=A1CU102
1000
aces
opera
erae
le
tye
Ss
he
est
J
I
9
PLAY
H
Fron
=A0JU222
2200
c
Tt
FF/REW
-—---0
3906
Amp
Lister
<D1H2232F
0,022
:
14
8
TAPE1
=A1AU221
my
vote
ge
TE,
d
T2
70/720
M1
SW
Ge----6
8904
{
o——®
=A1AU471
470
j
MeTER
!
$802
x1
ee
0
=
eos
!
$601
(D2H6B2PEL
0.0068
Tape
Speed
26
apes
>
Oy
POWER
ON/OFF
‘D1H2232F
0.022
Be
leee
SY
Sod
XI
x20
1N
12
OFF
me
REGULATOR
=A
1HU2R2
2.2
cr
Pi
aie
o
ares:
cocread
Souk
x2 28
l
ay
A
19
ON
Ui
at
Ten
ag
(—
P=):
Playback
signal
'A1EU4R7
4.7
GB2)>—w—
It
~}
osc
Ss
es
;
Sinai
(==>):
Recording
signal
‘A1AU221
220
=
{
|
aie
(—
=):
Control
signal
A1HUR47
0.47
eS
et
it
iting
25
~~
TOT
nn
ra
Flat
Cable
Cennector
=
(Remote
Signal
In)
—19—
20

Related product manuals