EasyManua.ls Logo

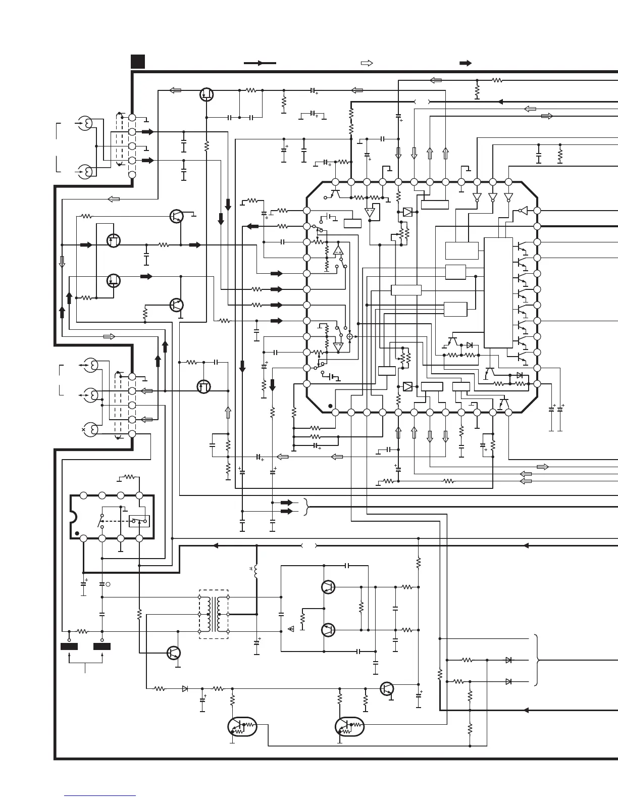
Technics RS-DV250 - Main Circuit

Technics RS-DV250
16 pages
Print Icon
To Next Page IconTo Next Page
To Next Page IconTo Next Page
To Previous Page IconTo Previous Page
To Previous Page IconTo Previous Page
Loading...
3
6
4
MAIN CIRCUIT
A
B
A
C
B
A
CP101
1
2
3
4
5
CP102
1
2
3
4
5
IC103
BA7755AF
R/P SELECT
1 2 4
678
3
5
Q301
2SD1819ARTX
BIAS OSC CONT.
Q306
DTC144EUT106
BIAS OSC CONT.
Q305
DTC144EUT106
BIAS OSC CONT.
Q302
2SD1328STXRA
SWITCHING
(REC:ON)
Q303,304
2SD1450RSTA
BIAS OSC
Q303
Q304
Q102
2SJ164RTA
HEAD SELECT
(REC:ON)
Q106
Q103,104
2SJ164QTA
HEAD SELECT
(PLAY:ON)
Q104
Q103
Q105,106
2SD1819ARTX
MUTING
Q105
Q101
2SJ164RTA
HEAD SELECT
(REC:ON)
S
G
D
S
G
D
D
G
S
D
G
S
L301
IC101
CXA1998BQT6
R/P EQ AMP
1
25
Lch
Rch
PLAYBACK
HEAD
DECK1
Lch
ERASE
HEAD
DECK2
Rch
R/P HEAD
R106
330K
C102
680P
C101
680P
R105
330K
C143
470P
C115
470P
R101
5.6K
R103
100K
C150
10V100
C123
25V4.7
R119
22
R118
22
C130
16V100
C119
50V1
C140
16V10
C131
470P
C129
10V22
R117
1K
C117
330P
R111
82
R113
12K
C111
6.3V47
R109
1K
C109
0.018
R141
100
R142
100
R144
100
C144
470P
C104
680P
C110
0.018
C112
6.3V47
R112
82
R114
27K
R110
1K
C114
50V2.2
C113
50V2.2
R102
5.6K
R104
100K
C116
470P
C125
3300P
C126
3300P
C118
330P
R154
2.7K
C120
50V1
R133 33K
R130 4.7M
C139 6.3V47
R132
27K
C301
16V470
C303
6800P
C302
100V2.2
N
R313
1
TP302TP301
R302
1.8K
R301
10K
D301
MA111TX
C305
50V0.1
C304
16V100
R303
2.2K
R304
15K
R305
18K
R306
33K
R138
4.7K
R137
2.2K
C309
6.3V47
R308
1K
C311
0.01
C310
0.01
C308
3300P
R307
2.2
C323
1000P
C307
1000P
R309
4.7K
R310
4.7K
R311
4.7K
L302
100 H
R134
3.9K
R135
6.8K
D102
MA111TX
D101
MA111TX
R158 22K
R127
4.7K
R125
100K
C138
0.047
C137
50V0.1
C135 50V1
C136 50V1
R120
100K
C132
470P
R153
2.7K
R157
22K
C103
680P
R143
100
R107
10K
R131
330K
R108
10K
LATCHES
SHIFT
REGISTERS
PBEQ
CTL
AGC
AMSRECEQ
20K 20K
10K
MUTE
40K
AGC
GAIN
210K
210K
210K 210K
IREF
40K
AGC
GAIN
10K
RECEQ
RFS
1 2 3 4 5 6 7 8 9 10 11 12
13
23
2437
38
39
40
41
42
43
44
45
46
47
48
20K 20K
252627282930313233343536
REQEQ
CTL
22
21
20
19
18
17
16
15
14
C306
0.039
R136
2.2K
C124
25V4.7
9.6V
:POSITIVE VOLTAGE LINE : PLAYBACK SIGNAL LINE: RECORDING SIGNAL LINE
9.6V
0V0V
(0.2V)
9V
0V0V
0V0V
(8.9V)
0V
(0.7V)
0V
0V
0V
0V
(0.7V)
0V
(8.9V)
(0.2V)
9V
0V0V
6V
9.6V 0V
0V
(9.5V)
0V
(0.7V)
0V
0V
(0.6V)
0V
0V
(0.6V)
0V
(0.7V)
0V
(0.8V)
0V
(0.6V)
0V
9.5V
9.5V
(0.6V)
0V
0V
(0.1V)
(0.1V)
0V
ERASE CURRENT
CHECK POINT
5V 0V 4.5V 4.5V 4.5V 4.5V 4.5V 8.6V 5V0V
(1.6V)
0V
(0.2V)
5V
5V
(9.6V)
0.1V
(0.1V)
9.6V
(0.2V)
9.6V
(0.2V)
5V
(5V)
0.2V
4.5V9V9V 4.5V 4.5V 4.5V 4.5V 0V5V 0V
1.2V
2.6V
2.6V
1.3V
0V
0V
0V
0V
1.3V
2.6V
2.6V
1.2V

Related product manuals