EasyManua.ls Logo

Tecnoinox B8FXGN9 - Page 30

Tecnoinox B8FXGN9
35 pages
Print Icon
To Next Page IconTo Next Page
To Next Page IconTo Next Page
To Previous Page IconTo Previous Page
To Previous Page IconTo Previous Page
Loading...
INSTRUCTION MANUAL FOR INSTALLATION, MAINTENANCE AND USE Rev-01
29 GB
RECTANGULAR BRATT PANS GAS TYPE “BR8G080I - BR8G080I.M” “BR9G090I –
BR9G090I.M” “BR1G120I – BR1G120I.M” “BR1G150I – BR1G150I.M” “BR1G160I –
BR1G160I.M” “BR1G200I – BR1G200I.M”
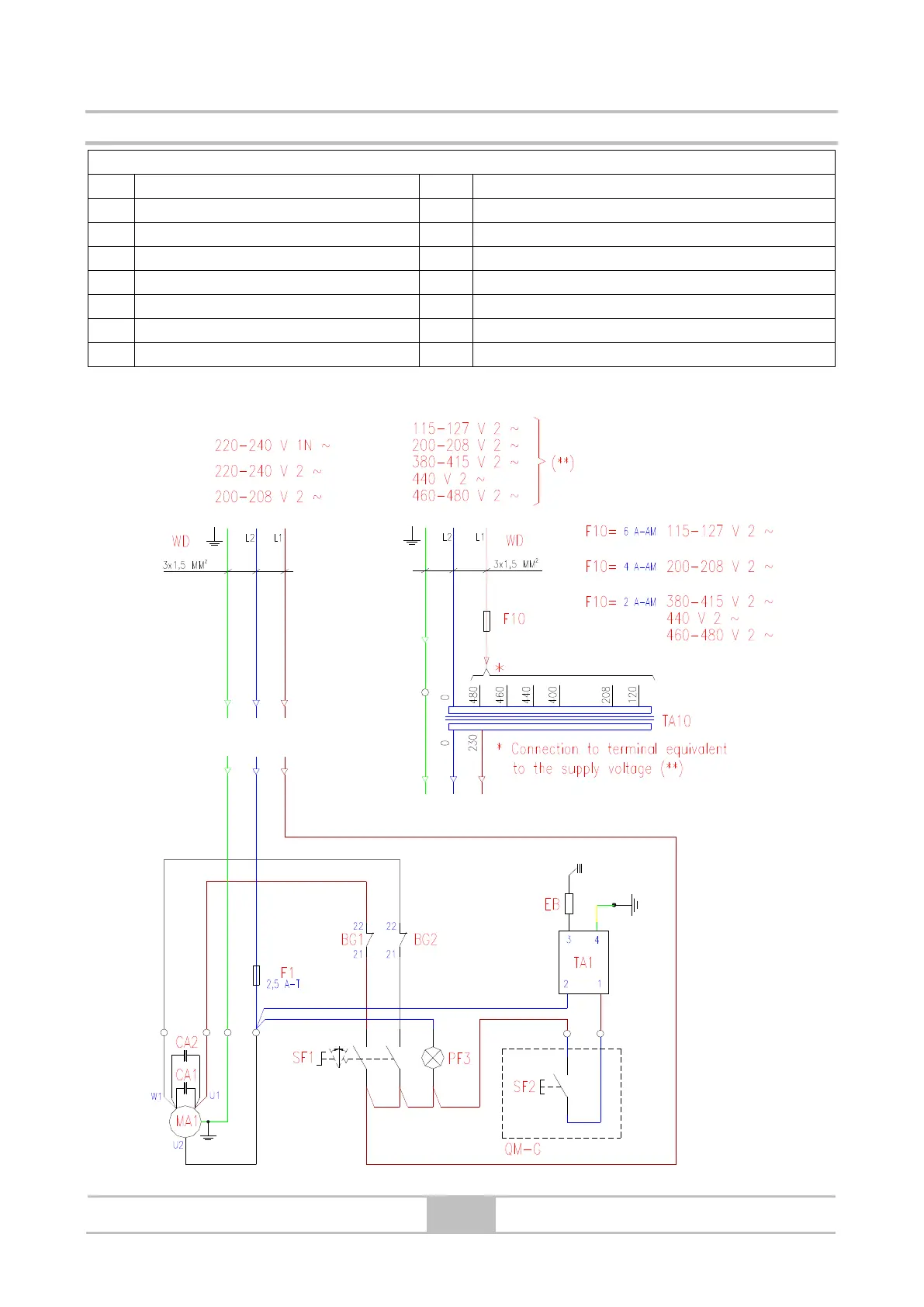
6.7 WIRING DIAGRAM
LEGEND:
BG1
Vessel return limit switch
QM-G
Electronically controlled gas valve
BG2
Vessel tilting limit switch
MA1
Tilting Single-phase gearmotor
CA1
Condenser 16 nF
TA1
Transformer for ignition
CA2
Condenser 20 nF
TA10
Transformer 120-208-400-440-460-480/230V
EB
Ignition candle
SF1
Up/down selector
F1
Fuse 2,5 A-T
SF2
Main ignition botton
F10
Fuse 2/4/6 A-AM
WD
Power cable
PF3
Green warning light

Related product manuals