EasyManua.ls Logo

Tektronix 7834 - Page 113

Tektronix 7834
134 pages
Print Icon
To Next Page IconTo Next Page
To Next Page IconTo Next Page
To Previous Page IconTo Previous Page
To Previous Page IconTo Previous Page
Loading...
SEMI-REGULATED
+54
VOLTS
--15-VOLT
FEEDBACK
AMPLIFIER
01466-01485
01496
SEMI-REGULATED
R1428
-54
VOLTS
R1457
-50-VOLT
FEEDBACK
AMPLIFIER
01508
01522
01534
GRAT
ILLUM
+5-VOLT
FEEDBACK
AMPLIFIER
01560-01582
01585
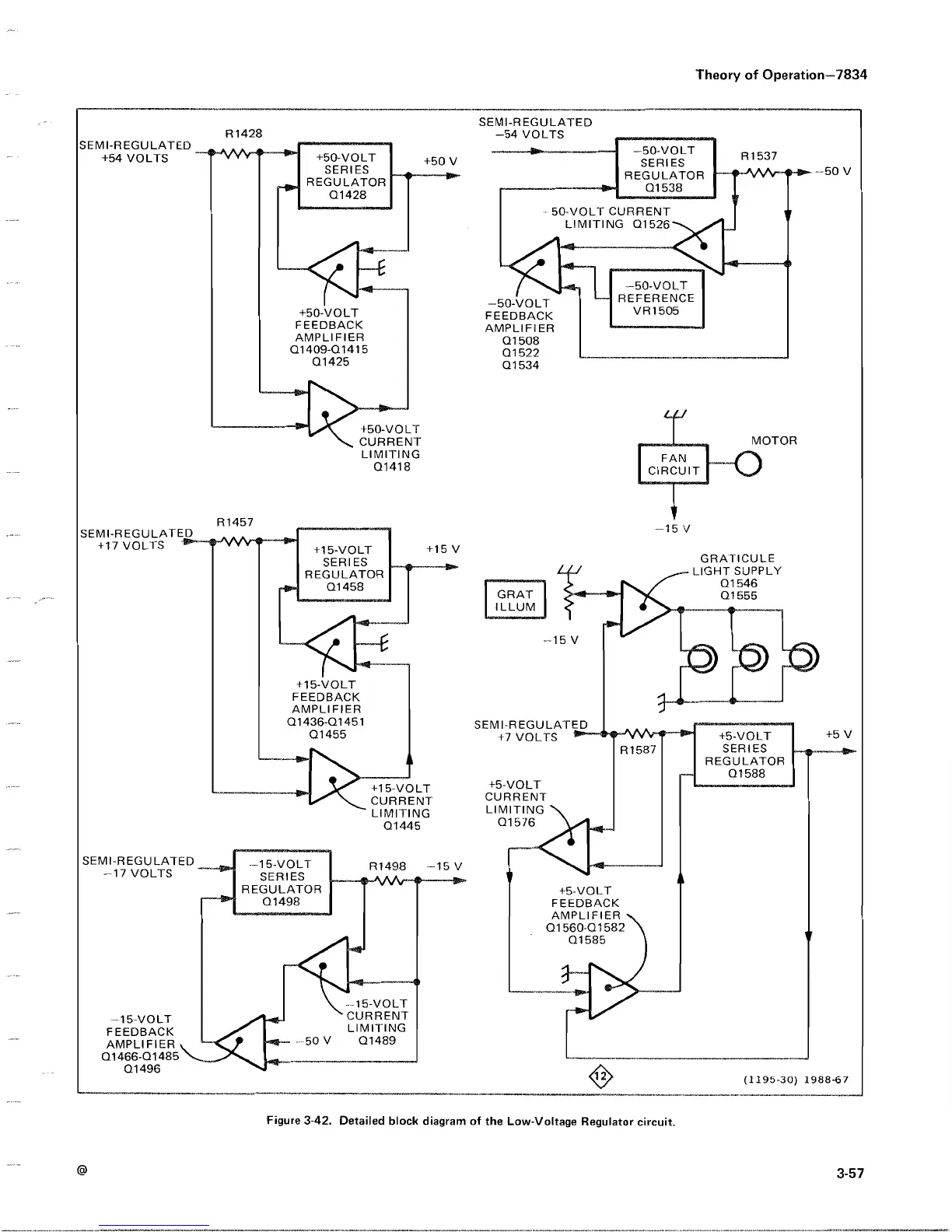
Figure
3-42
.
Detailed
block
diagram
of
the
Low-Voltage
Regulator
circuit
.
Theory
of
Operation-7834
-15
V
GRATICULE
LIGHT
SUPPLY
01546
01555
+5
V

Table of Contents

Other manuals for Tektronix 7834

Related product manuals