EasyManua.ls Logo

Tektronix 7834 - Page 122

Tektronix 7834
134 pages
Print Icon
To Next Page IconTo Next Page
To Next Page IconTo Next Page
To Previous Page IconTo Previous Page
To Previous Page IconTo Previous Page
Loading...
Theory
of
Operation--7834
REMOTE
STORAGE
GATE
REMOTE
ERASE
SAVE
MODE
SWITCHING
STORAGE
SINGLE
SWEEP
RESET
FROM
A
OR
B
SINGLE
SWEEP
-s----
LOGIC
FROM
U2588B
U2552B
U2556A
U2684A,
B
U2682A
U
2594
B
02654
02658
02674
02668
02664
02694
02678
02612
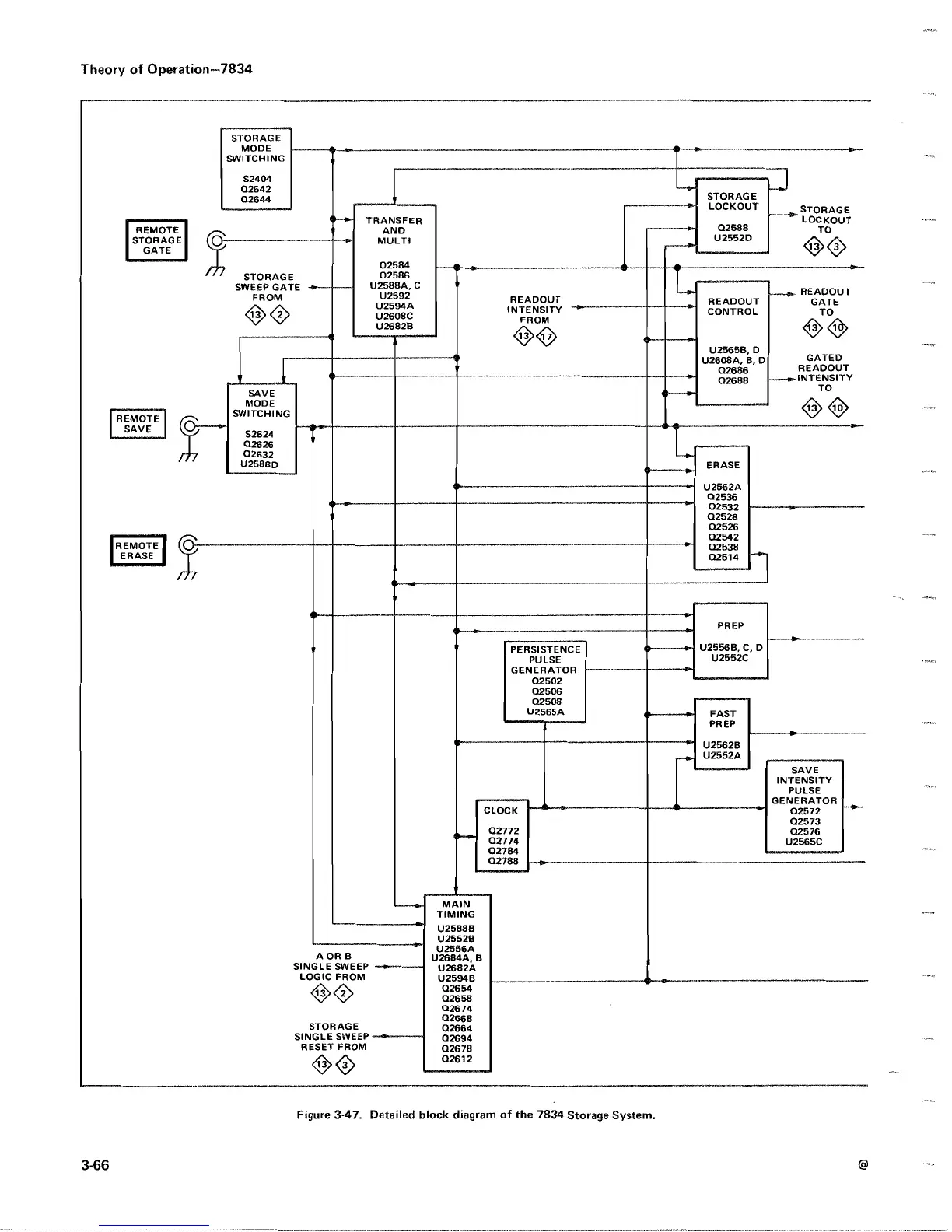
Figure 3-
47
.
Detailed
block
diagram
of
the
7834
Storage
System
.
READOUT
GATE
TO
GATED
READOUT
-INTENSITY
TO
SAVE
INTENSITY
PULSE
GENERATOR
02572
~~
~-
Q2573
02576
U2565C

Table of Contents

Other manuals for Tektronix 7834

Related product manuals