EasyManua.ls Logo

Testomat ECO - General Description; Internal Components Overview

Testomat ECO
21 pages
Print Icon
To Next Page IconTo Next Page
To Next Page IconTo Next Page
To Previous Page IconTo Previous Page
To Previous Page IconTo Previous Page
Loading...
5 / 19
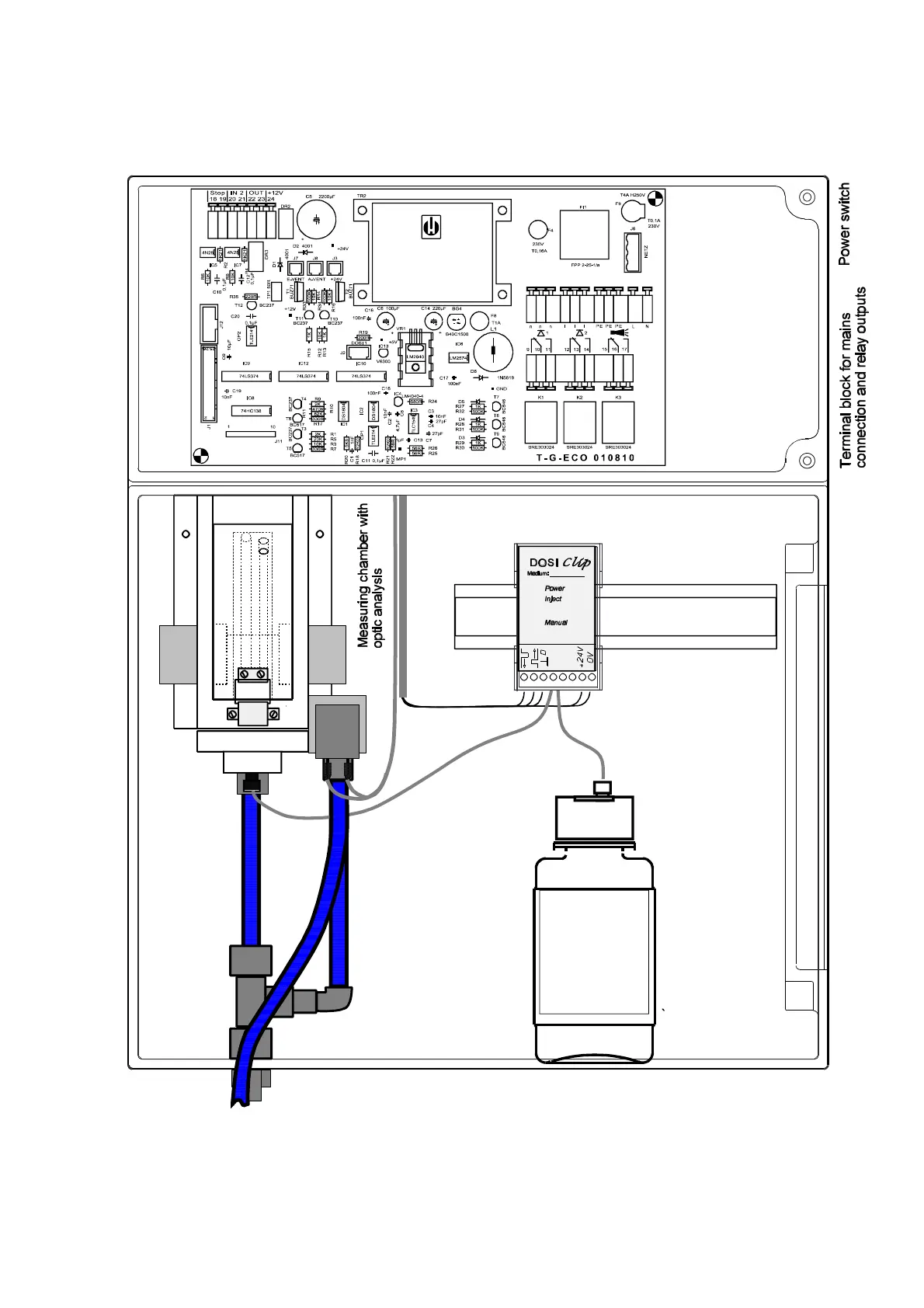
Valve
block
Reagent
TESTOMAT
2000
Dosing pump
Mains water supply
Inlet (without primary filter and pressure regulator)
and outlet
Terminal block for inputs
Stop, IN 2 (water meter) and output OUT
General description
Internal construction

Table of Contents