EasyManua.ls Logo

Texas Instruments LaunchPad MSP430G2553 - Schematics (3 of 3)

Texas Instruments LaunchPad MSP430G2553
33 pages
Print Icon
To Next Page IconTo Next Page
To Next Page IconTo Next Page
To Previous Page IconTo Previous Page
To Previous Page IconTo Previous Page
Loading...
Schematics
www.ti.com
26
SLAU772AJune 2018Revised March 2020
Submit Documentation Feedback
Copyright © 2018–2020, Texas Instruments Incorporated
MSP430G2553 LaunchPad™ Development Kit (MSP
EXP430G2ET)
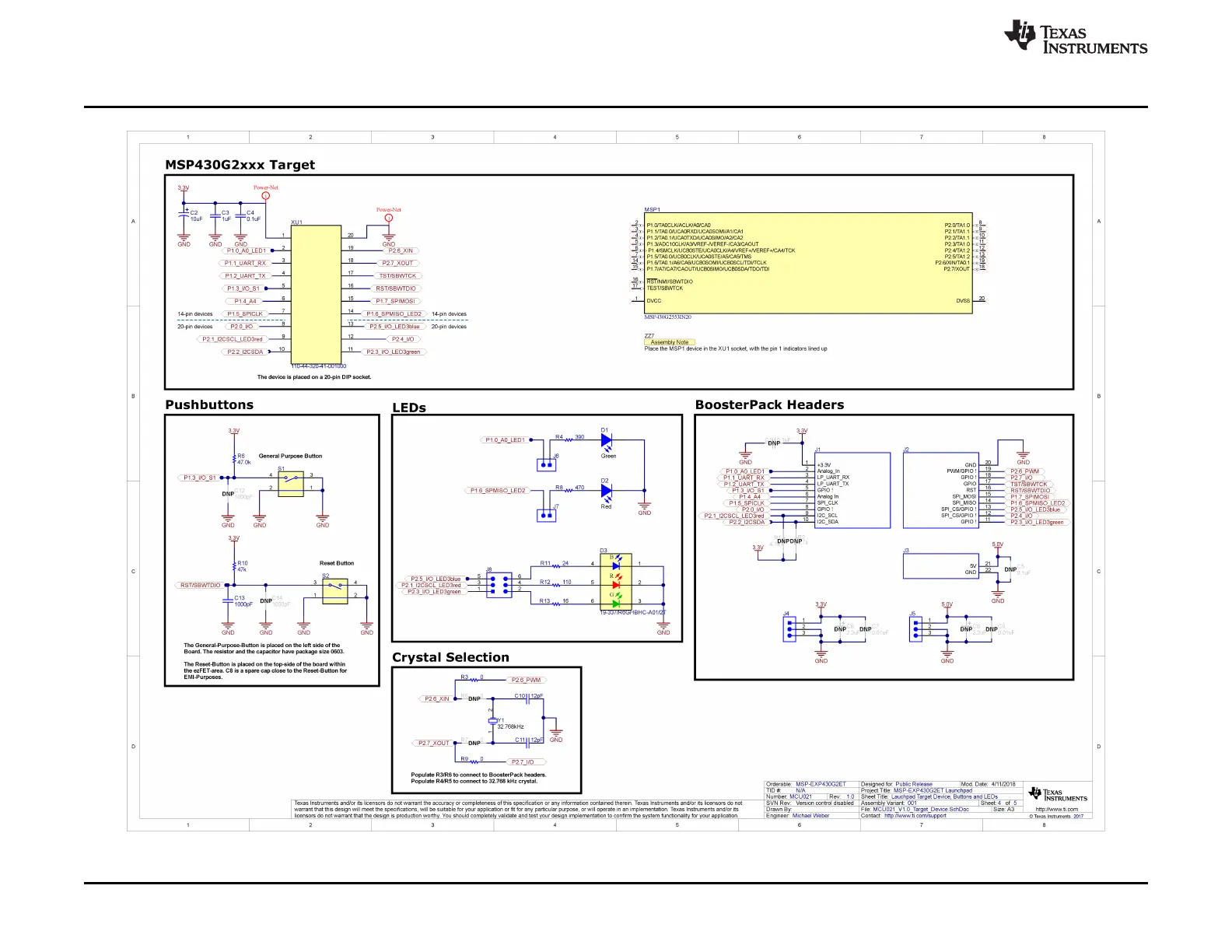
Figure 19. Schematics (3 of 3)

Table of Contents

Related product manuals