EasyManua.ls Logo

Thinget XC3-48R-E - DC Input Signal’s Disposal (AC Power Type)

Default Icon
283 pages
Print Icon
To Next Page IconTo Next Page
To Next Page IconTo Next Page
To Previous Page IconTo Previous Page
To Previous Page IconTo Previous Page
Loading...
Spec., Input/output and layout
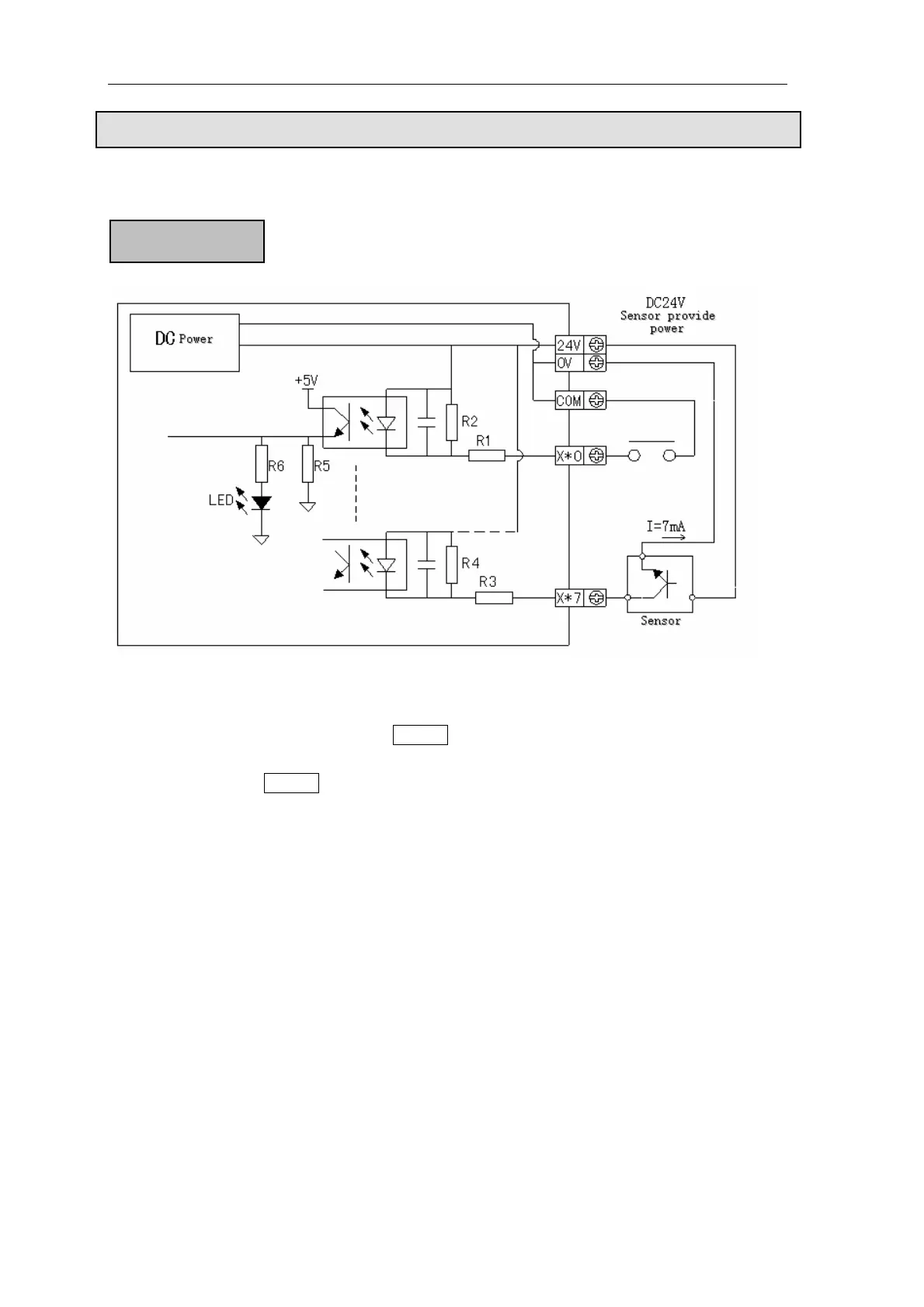
2-4. DC Input Signal’s Disposal(AC Power Type)
z Input terminal
When connect input terminal and COM terminal with contacts without voltage or
NPN open collector transistor, if input is ONLED lamp lights, which indicates input
There are many COM terminals to connect in PLC.
z Input circuit
Use optical coupling instrument to insulate the input once circuit and twice circuit
There’s a C-R filter in the twice circuitIt is set to avoid wrong operation caused by
vibration of input contacts or noise along with input signal. As the preceding reason, for
the changing of input ONOFFOFFONin PLC, the response time delays about
10msThere’s a digital filter inside X000~X015This kind of filter can very from
0~15ms according to the special register (D8020).
z Input sensitive
The PLC’s input current is DC24V 7mAbut to be safeit needs current up to 3.5mA
when it’s ONlower than 1.5mA when it’s OFF.
DC input signal
24

Table of Contents

Related product manuals