EasyManua.ls Logo

Thinget XC3-48R-E - Exterior Circuit Used; Input Connection

Default Icon
283 pages
Print Icon
To Next Page IconTo Next Page
To Next Page IconTo Next Page
To Previous Page IconTo Previous Page
To Previous Page IconTo Previous Page
Loading...
Spec., Input/output and layout
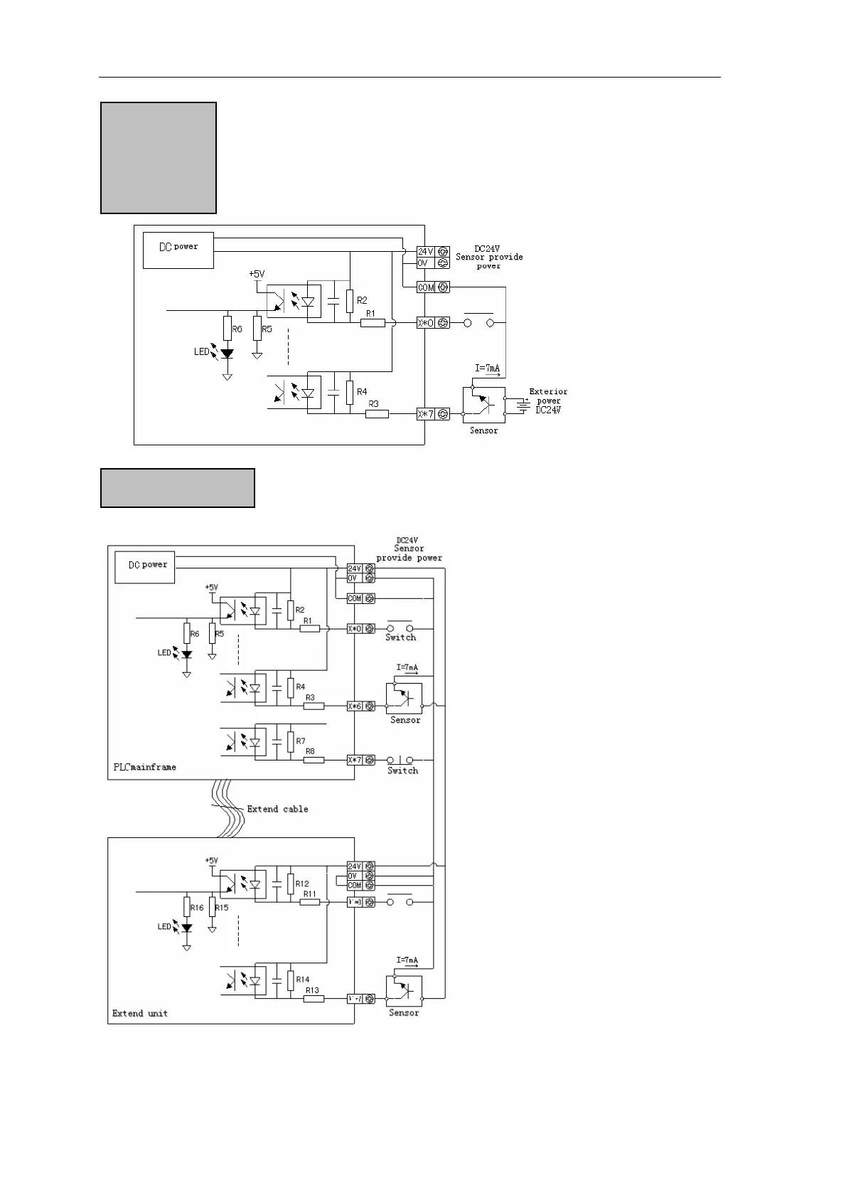
XC series PLC’s input power is supplied by its interior 24V powerso if
use exterior power to drive photoelectricity sensor etc., this exterior
power should be DC24V±4Vplease use NPN open collector type for
sensors output transistor
Exterior
circuit used
Input Connection
25

Table of Contents

Related product manuals