EasyManua.ls Logo

THOMSON DPL 800VD - drd1001_023.pdf

THOMSON DPL 800VD
30 pages
Print Icon
To Next Page IconTo Next Page
To Next Page IconTo Next Page
To Previous Page IconTo Previous Page
To Previous Page IconTo Previous Page
Loading...
23
DRD 1001
24 First issue 11 / 00
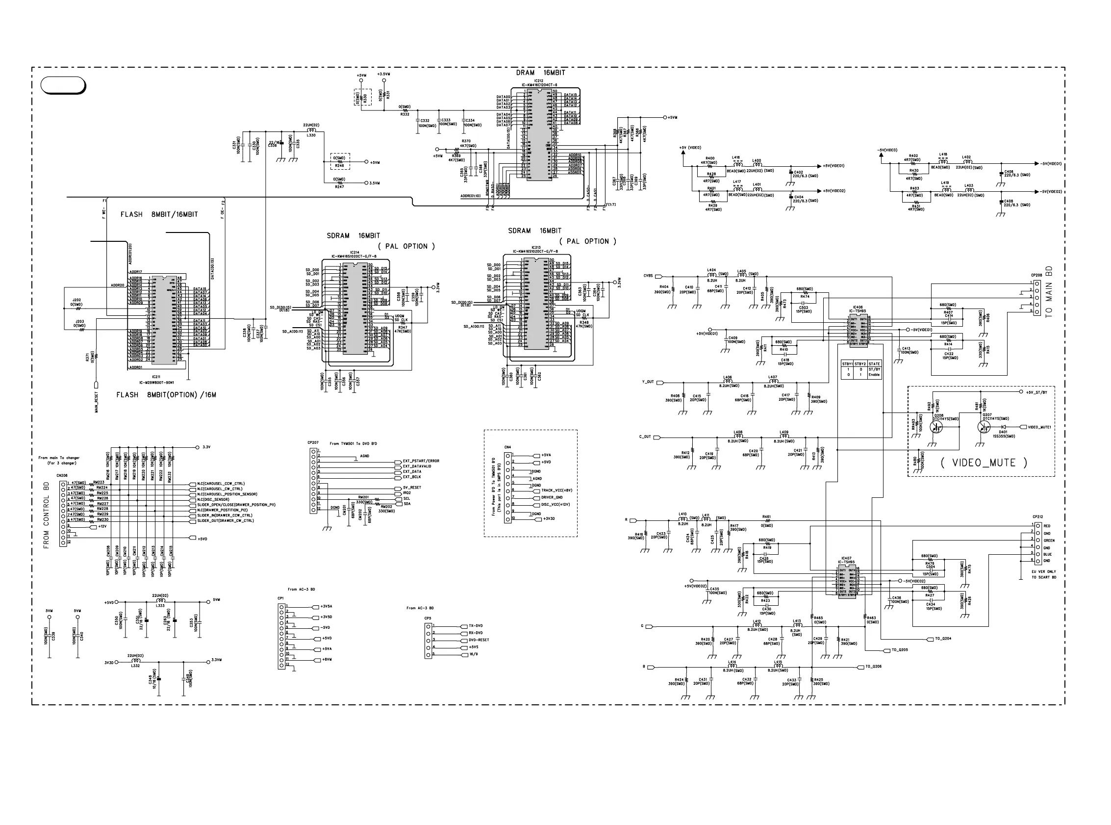
MPEG SHEMATIC DIAGRAM - SCHEMA DE LA PLATINE MPEG - SCHALTBILD MPEG - SCHEMA DELLA PIASTRA MPEG - ESQUEMA DE LA PLATINA MPEG
(MEMORY PART)
MPEG

Related product manuals