EasyManua.ls Logo

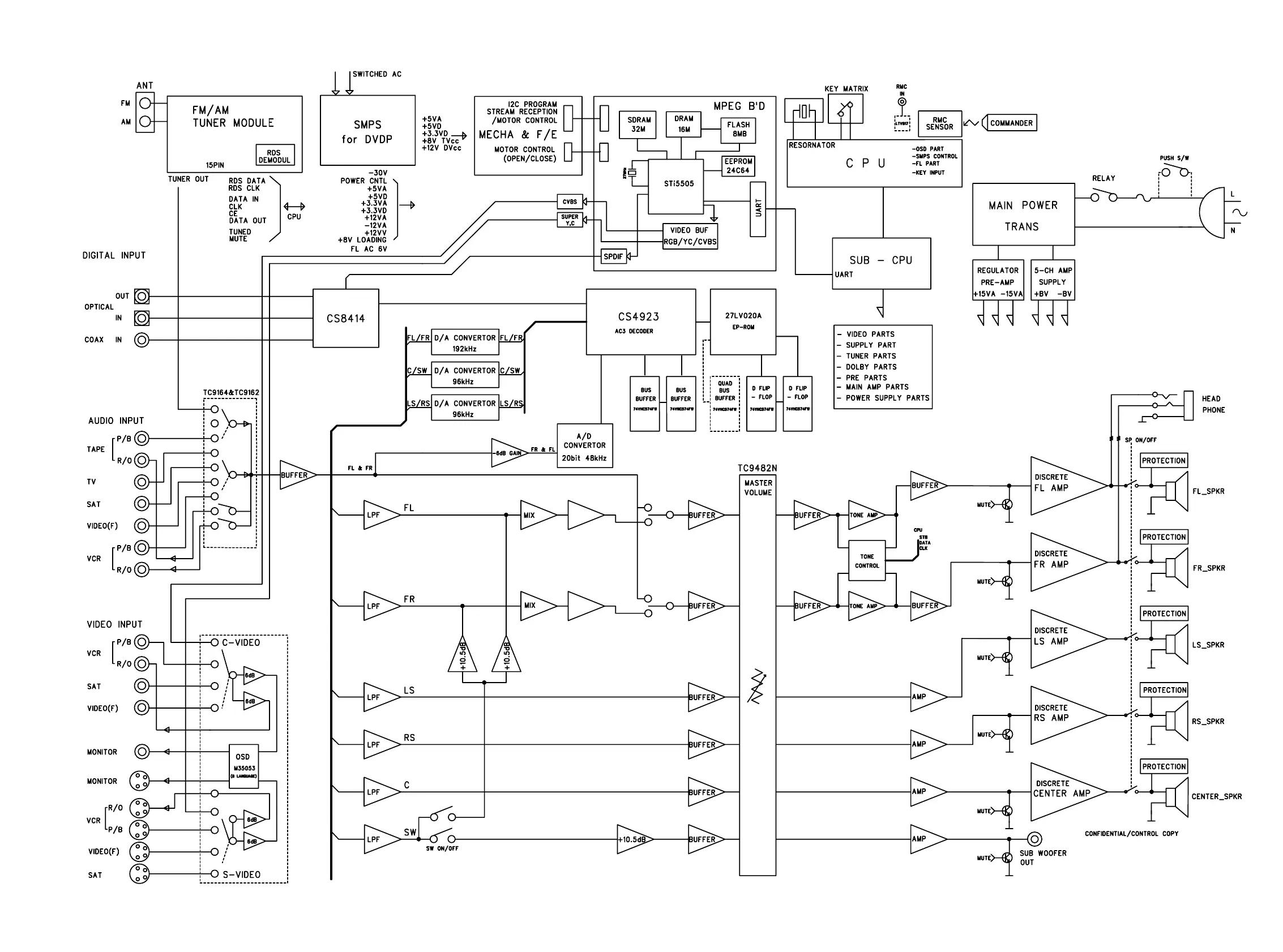
THOMSON DPL 800VD - Block Diagram; System Functional Blocks

THOMSON DPL 800VD
30 pages
Print Icon
To Next Page IconTo Next Page
To Next Page IconTo Next Page
To Previous Page IconTo Previous Page
To Previous Page IconTo Previous Page
Loading...
DRD 1001
First issue 11 / 00 9
10
BLOCK DIAGRAM - SCHÉMA SYNOPTIQUE - BLOCKSCHALTBILD - SCHEMA A BLOCCHI - ESQUEMA DE BLOQUES

Related product manuals