EasyManua.ls Logo

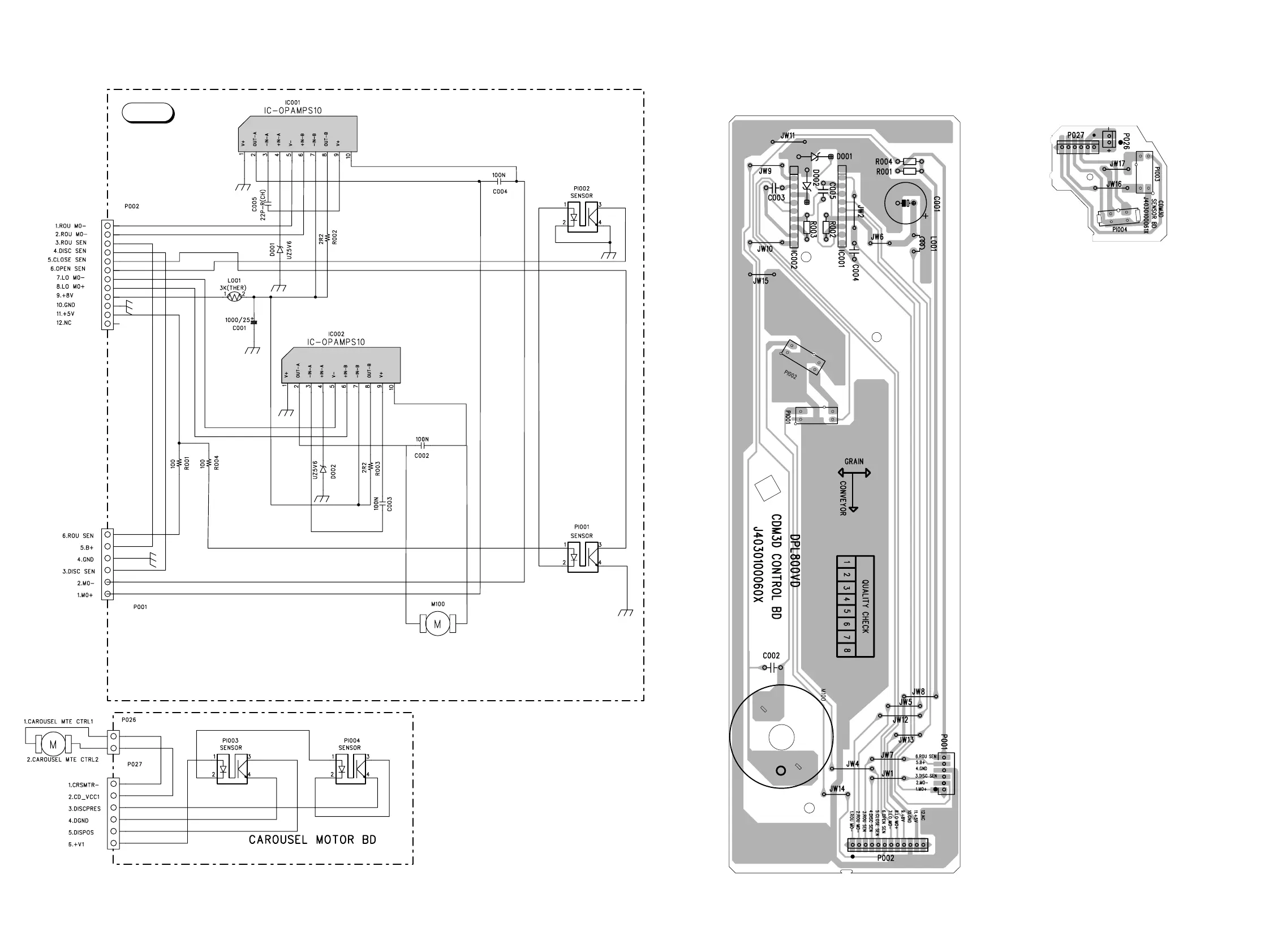
THOMSON DPL 800VD - CD Mechanism Control; CD Motor Control Schematic

THOMSON DPL 800VD
30 pages
Print Icon
To Next Page IconTo Next Page
To Next Page IconTo Next Page
To Previous Page IconTo Previous Page
To Previous Page IconTo Previous Page
Loading...
47
DRD 1001
48 First issue 11 / 00
CD MOTOR CONTROL SCHEMATIC DIAGRAM - SCHEMA DE LA PLATINE
COMMANDES MOTEURS CD - CD WECHSLER-MOTOR SCHALTBILD -
SCHEMA DELLA PIASTRA COMANDI MOTORI CD - ESQUEMA DE LA PLATINA
MANDOS MOTORES CD
LB1641
LB1641
CDM
CD motor control P.C.B.
Platine commandes moteur CD
Ltpl.
CD Wechsler-motor
Piastra comandi motori CD
Platina de mandos motores CD

Related product manuals