EasyManua.ls Logo

THOMSON DPL 800VD - drd1001_039.pdf

THOMSON DPL 800VD
30 pages
Print Icon
To Next Page IconTo Next Page
To Next Page IconTo Next Page
To Previous Page IconTo Previous Page
To Previous Page IconTo Previous Page
Loading...
39
DRD 1001
40 First issue 11 / 00
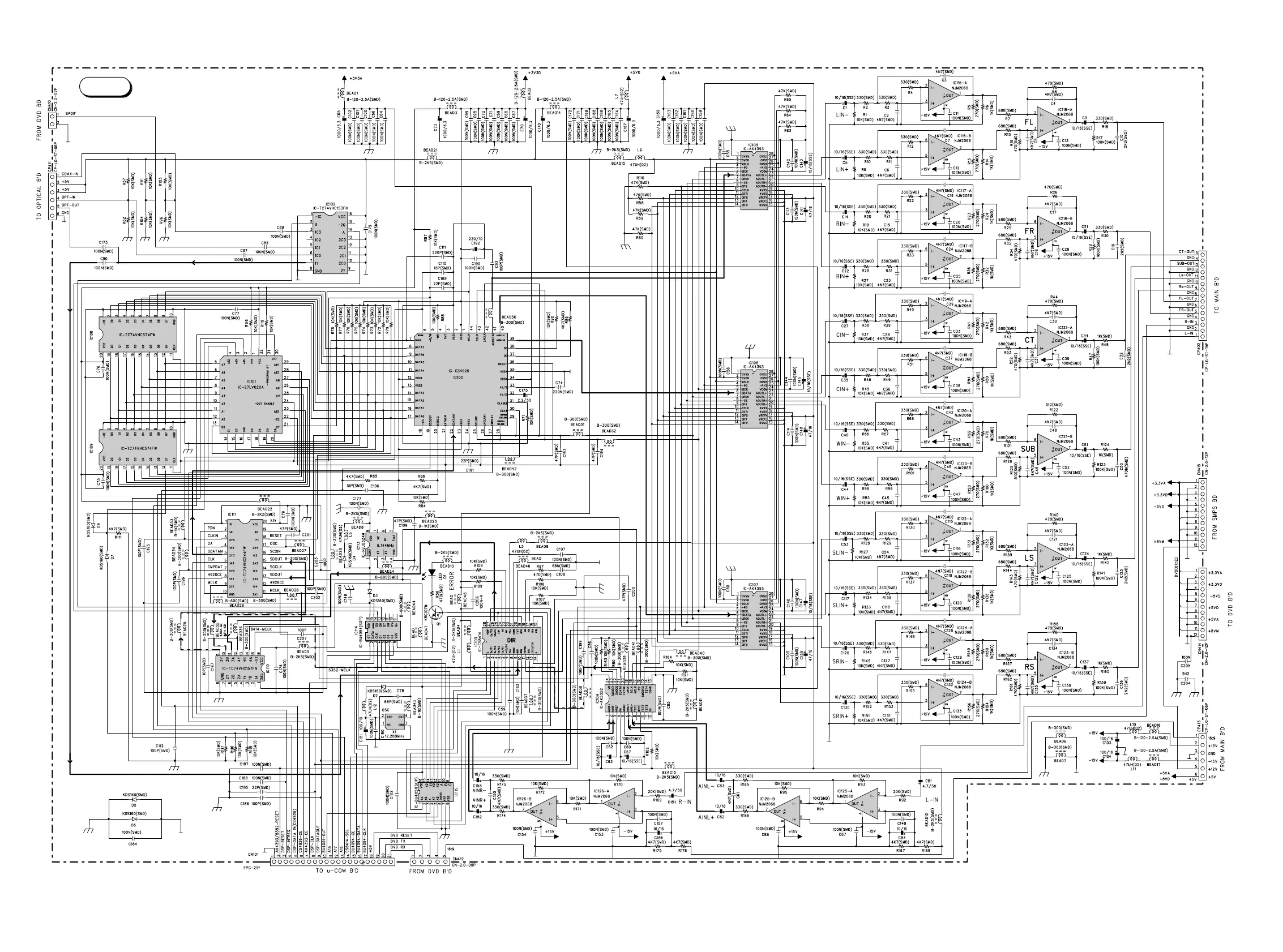
DIGITAL PROCESSING SCHEMATIC DIAGRAM - SCHEMA DU TRAITEMENT DIGITAL - SCHALTBILD DIGITALVERARBEITUNG - SCHEMA ELABORAZIONE DIGITALE - ESQUEMA DEL
TRATAMIENTO DIGITAL
AC3

Related product manuals