EasyManua.ls Logo

THORLABS SHB025 - Chapter 9 Mechanical Drawing

THORLABS SHB025
23 pages
Print Icon
To Next Page IconTo Next Page
To Next Page IconTo Next Page
To Previous Page IconTo Previous Page
To Previous Page IconTo Previous Page
Loading...
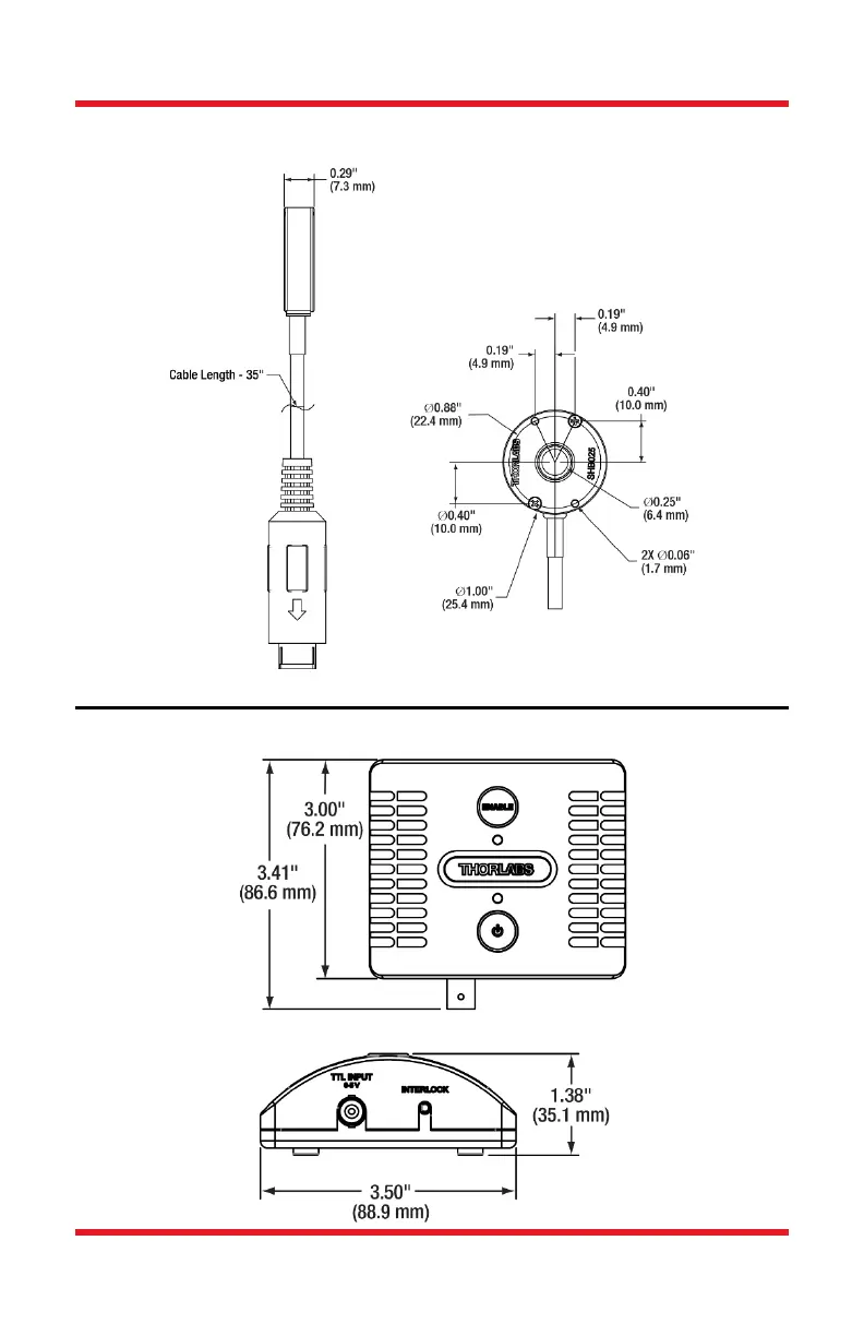
Ø1/4" Shutters and Controller Chapter 9: Mechanical Drawing
Rev F, January 18, 2023 Page 17
Chapter 9 Mechanical Drawing

Related product manuals