EasyManua.ls Logo

Toa EV-350R - Setting Operation (6. ENVIRONMENT SETTING); Operation Procedures; KEYLOCK and 6-6 VERSION INDICATION)

Toa EV-350R
88 pages
Print Icon
To Next Page IconTo Next Page
To Next Page IconTo Next Page
To Previous Page IconTo Previous Page
To Previous Page IconTo Previous Page
Loading...
72
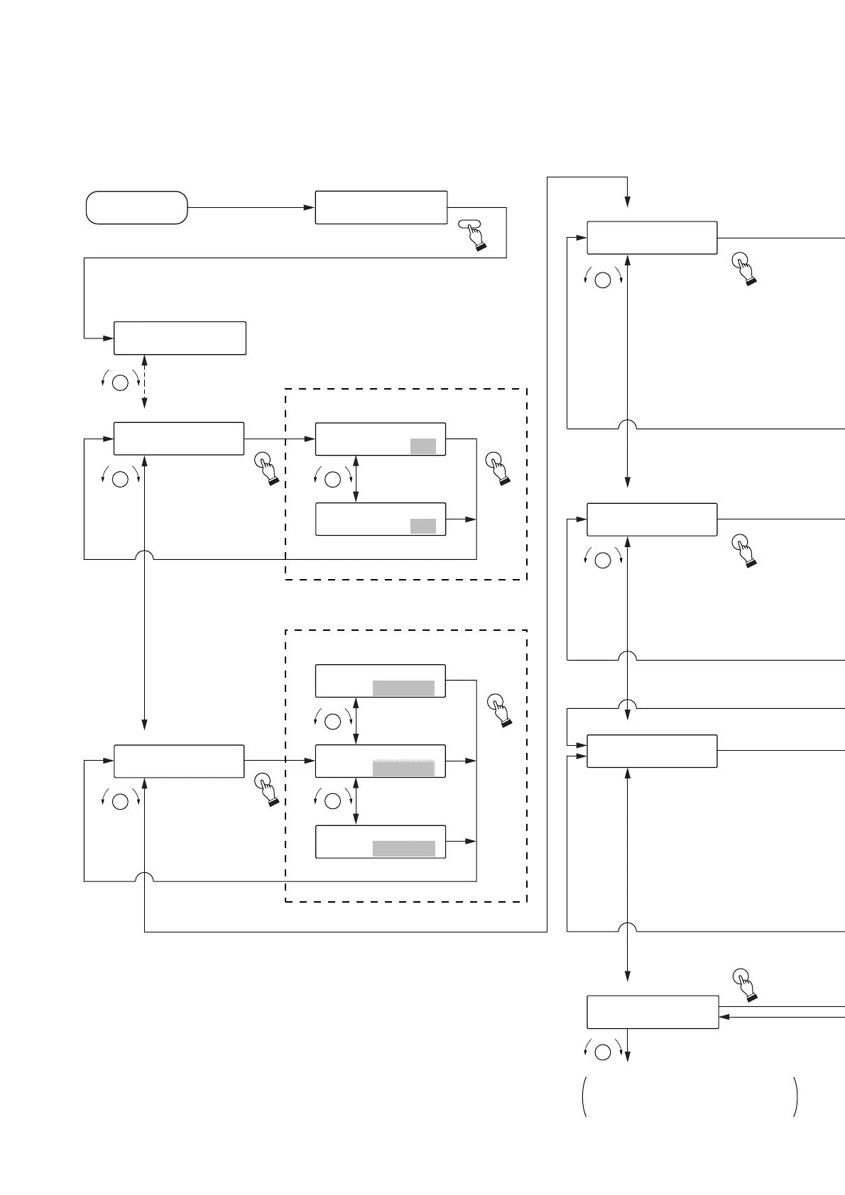
9.7. Setting Operation (6. ENVIRONMENT SETTING)
9.7.1. Operation procedures (6-1 OPERATION BEEP, 6-2 RS-232C SETTING, 6-3 PASSWORD,
6-4 DIGITAL ANNOUNCER INITIALZATION, 6-5 KEYLOCK and 6-6 VERSION INDICATION)
Operation beep setting*
2
Password setting
Digital announcer initialization
Key lock setting
Program input
Operation beep setting
RS-232C setting
Beep on-off setting
Communication speed setting
[Initial screen]
[Menu screen]*
1
Power on
Version display
6.UNIT
6-6V E R S I O N 2 . 0 0
To other menu screen
7-1 CARD NAME INPUT
to
9-1 AUTOMATIC LEVEL ADJUSTMENT
RS-232C setting*
2
SELECT
SELECT
SELECT
SELECT
SELECT
SELECT
SELECT
SELECT
SELECT
SELECT
SELECT
SELECT
SELECT
SELECT
SELECT
SELECT
MODE
P
R
L
E
A
C
Y
→
→
R
P
E
L
C
A
Y
K
E
K
Y
EY
1
1
.
-
P
1
R
O
P
G
R
R
O
A
G
M
I
N
P
U
T
6
-
1
O
P
B
E
E
P
[
O
N
]
6
-
1
O
P
B
E
E
P
[
O
F
F
]
6
6
.
-
U
1
N
I
O
T
P
B
E
E
P
6
6
.
-
U
2
N
I
R
T
S
-
2
3
2
C
S
E
T
6
-
2
R
S
-
[
2
4
3
8
2
0
C
0
S
b
E
p
T
s
]
6
-
2
R
S
-
[
2
9
3
6
2
0
C
0
S
b
E
p
T
s
]
6
-
2
R
S
-
[
2
1
3
9
2
2
C
0
0
S
b
E
p
T
s
]
6
6
.
-
U
3
N
I
P
T
A
S
S
W
O
R
D
6
6
.
-
U
4
N
I
U
T
N
I
T
I
N
I
T
I
L
Z
6
6
.
-
U
5
N
I
K
T
E
Y
L
O
C
K
I
N
G
*
1
Pressing the [STOP] key while the menu screen is displayed returns the
display to the initial screen.
*
2
Pressing the [STOP] key while the function setting screen is displayed
returns the display to the previous menu screen.
Note: When the function setting is completed, the screen returns to the
menu screen. To terminate all setting operations, further press the
[STOP] key to return to the initial screen.

Table of Contents