EasyManua.ls Logo

Toro 30446 - Page 63

Toro 30446
64 pages
Print Icon
To Next Page IconTo Next Page
To Next Page IconTo Next Page
To Previous Page IconTo Previous Page
To Previous Page IconTo Previous Page
Loading...
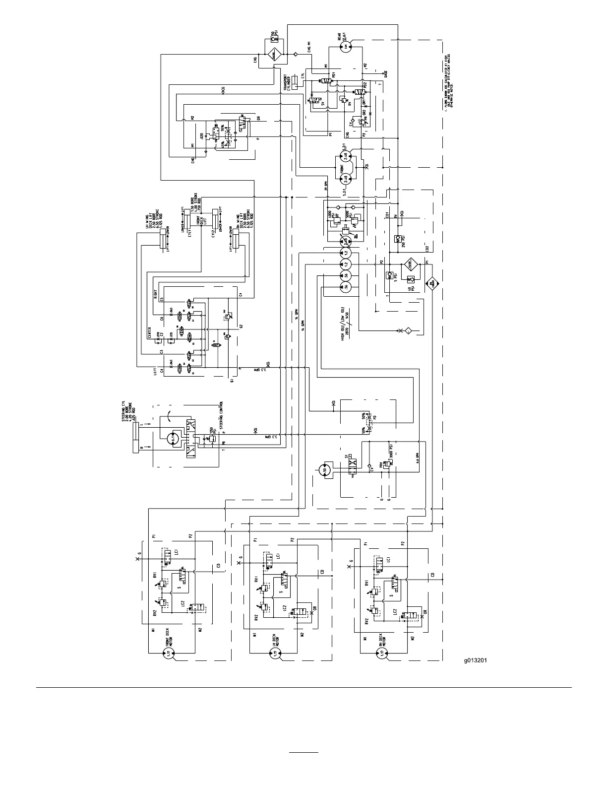
HydraulicSchematic(Rev.B)
63

Table of Contents

Other manuals for Toro 30446

Related product manuals