EasyManua.ls Logo

Toro 30857 - Page 52

Toro 30857
56 pages
Print Icon
To Next Page IconTo Next Page
To Next Page IconTo Next Page
To Previous Page IconTo Previous Page
To Previous Page IconTo Previous Page
Loading...
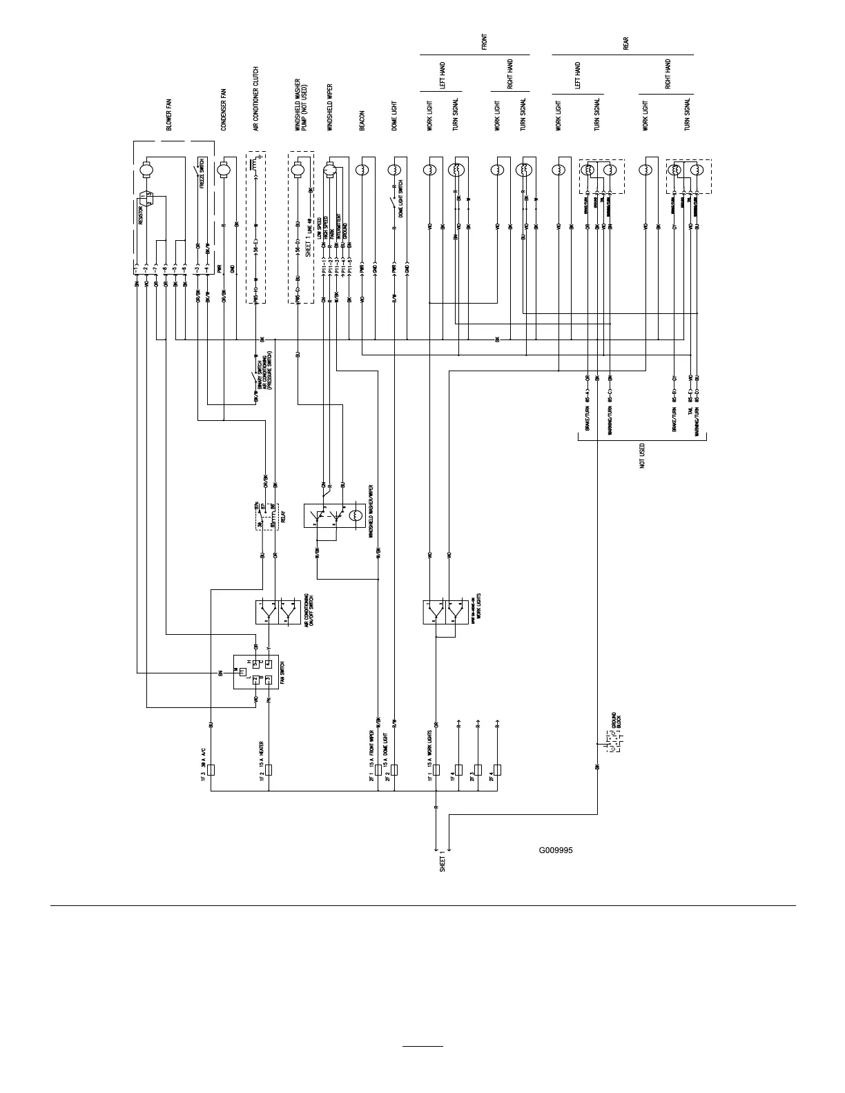
ElectricalSchematic(Rev.A)
52

Table of Contents

Other manuals for Toro 30857

Related product manuals