EasyManua.ls Logo

Toro 71254 - Schematics

Toro 71254
40 pages
Print Icon
To Next Page IconTo Next Page
To Next Page IconTo Next Page
To Previous Page IconTo Previous Page
To Previous Page IconTo Previous Page
Loading...
Schematics
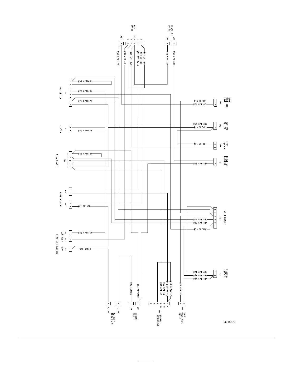
WiringDiagram(Rev.A)
36

Other manuals for Toro 71254

Related product manuals