EasyManua.ls Logo

Toro 71255 - Schematics; Wiring Diagram

Toro 71255
40 pages
Print Icon
To Next Page IconTo Next Page
To Next Page IconTo Next Page
To Previous Page IconTo Previous Page
To Previous Page IconTo Previous Page
Loading...
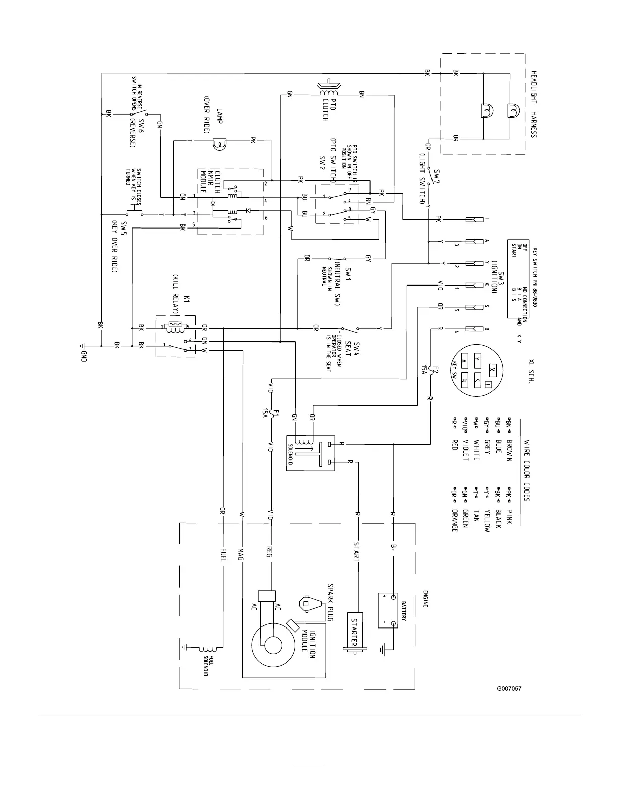
Schematics
WiringDiagram(Rev.A)
35

Related product manuals