EasyManua.ls Logo

Toro 72902TE - Schematics

Toro 72902TE
84 pages
Print Icon
To Next Page IconTo Next Page
To Next Page IconTo Next Page
To Previous Page IconTo Previous Page
To Previous Page IconTo Previous Page
Loading...
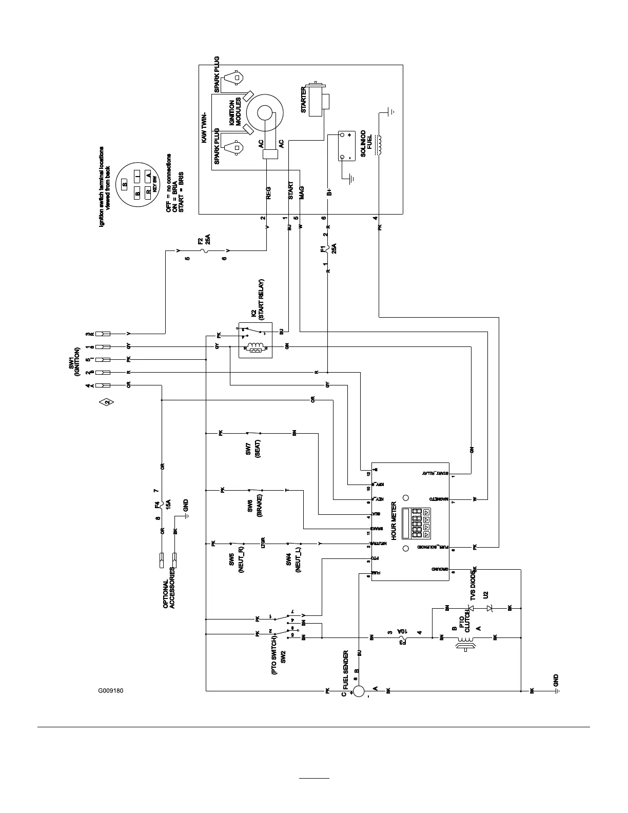
Schematics
g009180
WireDiagram(Rev.A)
83

Table of Contents

Related product manuals