EasyManua.ls Logo

Toro 72932 - Schematics

Toro 72932
84 pages
Print Icon
To Next Page IconTo Next Page
To Next Page IconTo Next Page
To Previous Page IconTo Previous Page
To Previous Page IconTo Previous Page
Loading...
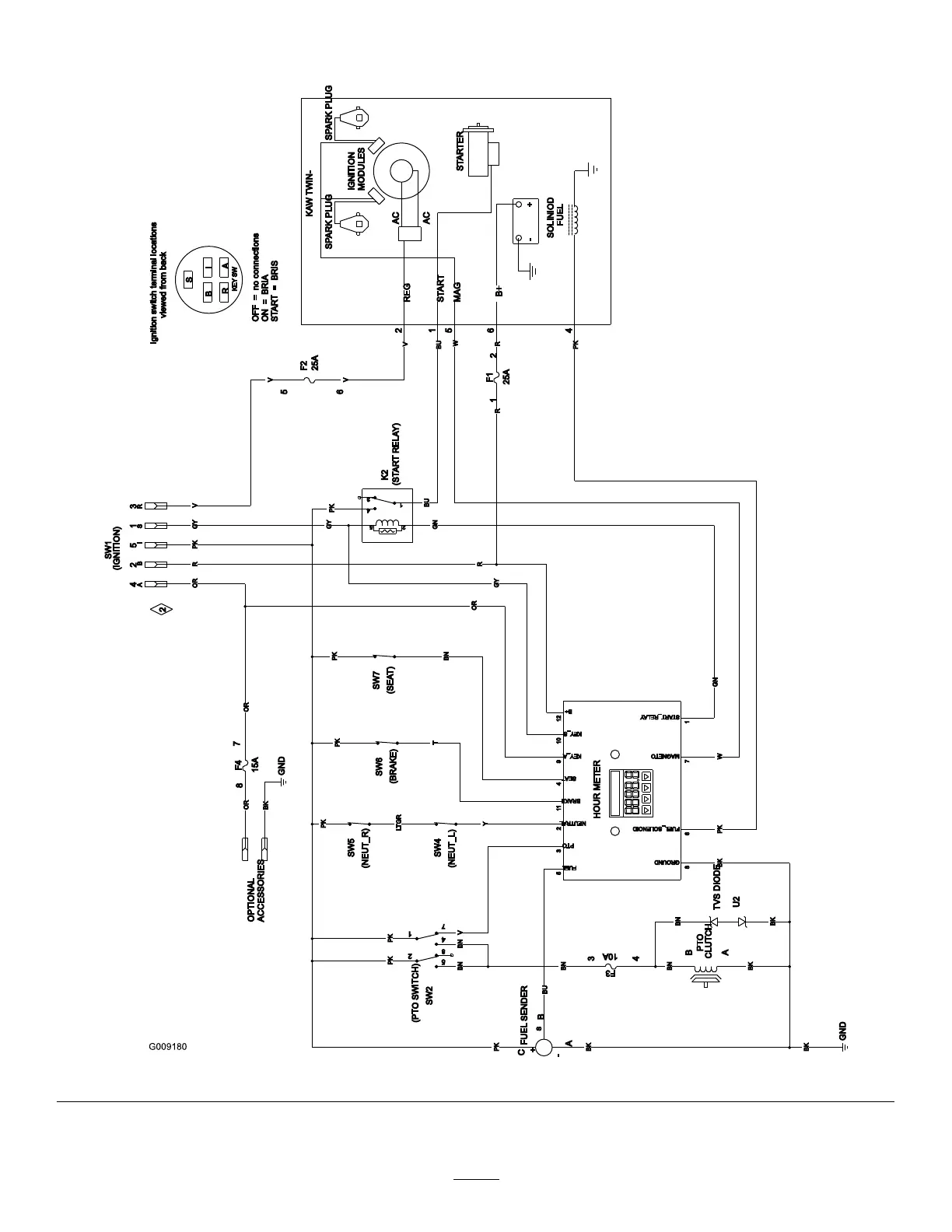
Schematics
g009180
ElectricalSchematic—KawasakiEngines(Rev.A)
80

Table of Contents