EasyManua.ls Logo

Toro 72949 - Schematics

Toro 72949
72 pages
Print Icon
To Next Page IconTo Next Page
To Next Page IconTo Next Page
To Previous Page IconTo Previous Page
To Previous Page IconTo Previous Page
Loading...
Schematics
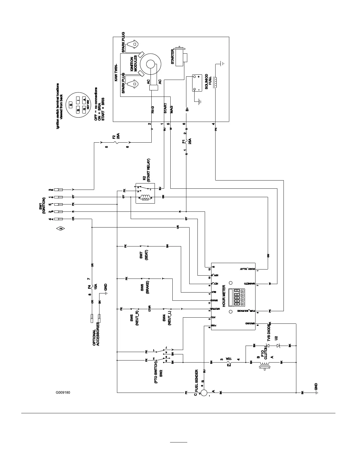
g009180
ElectricalSchematic—KawasakiEngines(Rev.A)
71

Table of Contents

Related product manuals