EasyManua.ls Logo

Toro 74824 - Schematics

Toro 74824
56 pages
Print Icon
To Next Page IconTo Next Page
To Next Page IconTo Next Page
To Previous Page IconTo Previous Page
To Previous Page IconTo Previous Page
Loading...
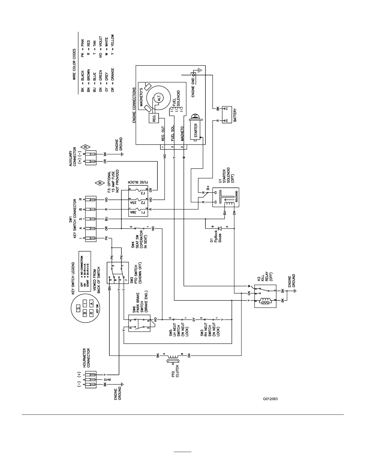
Schematics
G012083
WireDiagram(Rev.A)
53

Table of Contents

Related product manuals