EasyManua.ls Logo

Toshiba RAS-10NAV-E - Outdoor Unit (Inverter Assembly)

Toshiba RAS-10NAV-E
77 pages
Print Icon
To Next Page IconTo Next Page
To Next Page IconTo Next Page
To Previous Page IconTo Previous Page
To Previous Page IconTo Previous Page
Loading...
FILE NO. SVM-05026
– 21 –
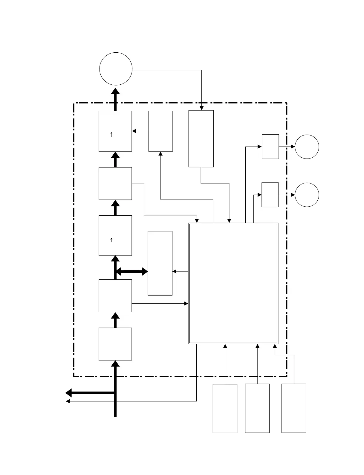
7-2. Outdoor Unit (Inverter Assembly)
For indoor unit
1
220-240V 50/60Hz
signal
Noise
filter
Dischage pipe
temp. sensor
Outdoor air
temp. sensor
Input
current
sensor
Conver
ter
(AC DC)
P.C.B (MCC-
5009
)
Over
current
sensor
Gate dr
ive
circuit
Rotor position
detect circuit
Relay
Fa
n
motor
4wa
y
Valve
Relay
High po
wer factor
correction circuit
1. PWM synthesis function
2. Input current release control
3. IGBT over-current detect control
4. Outdoor f
an control
5. High po
wer factor correction control
6.Signal communication to indoor unit M.
C. U
M. C. U
Inverter
(DC AC)
Compressor
Heat Exchanger
temp. sensor

Related product manuals