EasyManua.ls Logo

TrailMaster MID XRX - Page 30

TrailMaster MID XRX
30 pages
Print Icon
To Previous Page IconTo Previous Page
To Previous Page IconTo Previous Page
Loading...
25
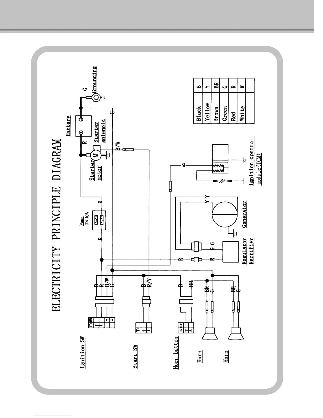
ELETRICITY PRINCIPLE DIAGRAM

Other manuals for TrailMaster MID XRX

Related product manuals