EasyManua.ls Logo

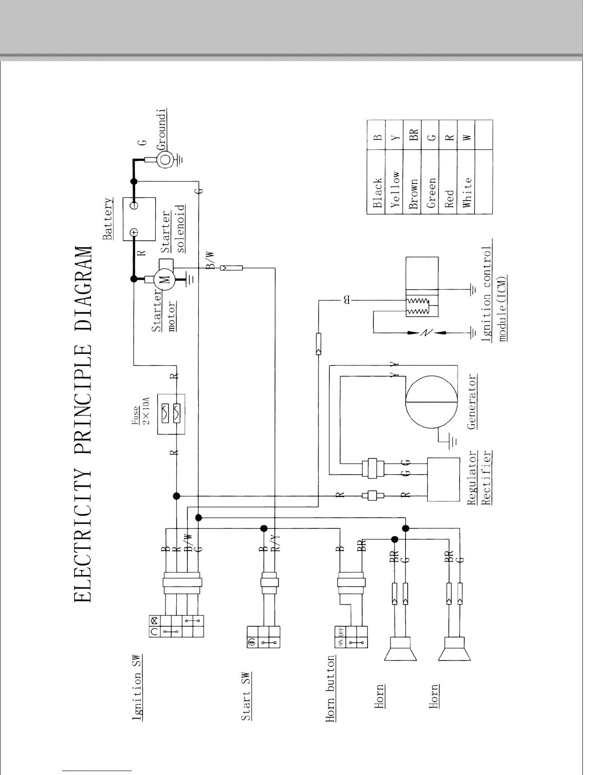
TrailMaster MID XRX - Eletricity Principle Diagram

TrailMaster MID XRX
30 pages
Print Icon
To Next Page IconTo Next Page
To Next Page IconTo Next Page
To Previous Page IconTo Previous Page
To Previous Page IconTo Previous Page
Loading...
24
ELETRICITY PRINCIPLE DIAGRAM

Other manuals for TrailMaster MID XRX

Related product manuals